Установка счетчиков электроэнергии: особенности монтажа
ПОДЕЛИТЕСЬ
В СОЦСЕТЯХ
Основные устройства для снятия показателей использованной электроэнергии, воды и газа – счетчики. Установка счетчиков электроэнергии может быть выполнена своими руками, но лучше эту задачу доверить специалистам-электромонтерам, которые обладают необходимыми навыками и знаниями. При необходимости возможен монтаж учетного устройства на столбе. В данной публикации пойдет речь о видах приборов, подготовительных работах перед монтажом и о подключении прибора.

Производить установку электросчетчиков в жилых помещениях можно при наличии государственной поверки
Установка счетчиков электроэнергии: общая информация
Современный темп жизни и постоянный рост цен заставляют граждан всерьез задуматься о тотальной экономии средств. Не последнее место в вопросе экономии занимает плата за электричество и другие природные ресурсы. Поэтому в последние годы значительно увеличился спрос на установку электрических счетчиков.

Счетчики устанавливаются по четко регламентированным правилам
Большинство жителей нашей страны, выполнив элементарные подсчеты, сделали вывод, что установка приборов учета электроэнергии – очень выгодный способ сэкономить, так как счетчик дает большие возможности (в сравнении с традиционным способом тарификации). В первую очередь оплата по показаниям данного прибора позволяет отдавать деньги лишь за реально использованное сырье, а также помогает полностью контролировать свои расходы. Даже уехав в отпуск, можно не переживать, что придет огромный счет за электроэнергию.
Полезный совет! Счетчик для фиксации потребленной электроэнергии – это крайне необходимое устройство в каждой квартире и доме. Кроме того, по закону России помещения, в которых не установлены электросчетчики, должны быть отключены от подачи электричества.
Выбор счетчика электроэнергии: классификация приборов
Технический прогресс не стоит на месте, поэтому современные технологии внедрились во все сферы жизни. Электроэнергетика в этом плане не исключение. Поэтому выбор современных счетчиков для учета использованной электроэнергии достаточно широк.

Механические счетчики дешевые, но они имеют значительные погрешности в работе
Классификация приборов осуществляется по таким параметрам, как принцип работы и количество фаз. Каждое из устройств обладает своими техническими характеристиками и особенностями.
В зависимости от принципа работы существуют такие типы электросчетчиков:
- Механические устройства – наиболее распространенный вариант. Механические детали прибора движутся благодаря электрическому току, который проходит через счетчик. Количество вращений свидетельствует о потребляемой электроэнергии. Данные приборы дешевые, но они имеют значительные погрешности в работе.
- Электронные конструкции – более современные устройства. Количество использованной электроэнергии фиксируется с помощью специальной микросхемы или полупроводника. Затем полученная информация передается с помощью датчиков. Данные устройства работают намного точнее, но и цена их выше.
В зависимости от количества фаз счетчики электроэнергии бывают однофазные и трехфазные. Количество фаз прибора должно соответствовать количеству фаз в сети. Однако в некоторых случаях трехфазные электросчетчики подключаются к электросети с одной фазой. При наличии трехфазной сети возможна установка лишь трехфазных устройств.

Электронные устройства работают намного точнее механических приборов
Технологии развиваются все больше, и теперь возможна установка новых счетчиков электроэнергии, которые способны выполнять учет использованного электричества по нескольким тарифам. Итак, существуют:
- однотарифные приборы, которые ведут подсчет лишь по одному тарифу;
- двухтарифные устройства – счетчики, которые делят сутки на две тарифные зоны: дневную и ночную;
- трехтарифные счетчики, учитывающие потребление электроэнергии в зависимости от трех временных интервалов: пикового, ночного и полупикового.
Это интересно! Такое разделение суток произошло по причине неравномерных нагрузок на подстанции. Электричество вырабатывается круглые сутки, а резкие скачки потребления электроэнергии негативно сказываются на работе оборудования подстанций. Максимальные нагрузки происходят с 7 до 9 часов утра и с 18 до 23 вечера. Следовательно, стоимость электроэнергии в пиковые часы выше, чем в ночное время, когда потребление минимально.

В зависимости от количества фаз счетчики электроэнергии бывают однофазные и трехфазные
Замена счетчиков электроэнергии: причины монтажа
Чаще всего замена счетчиков происходит в результате следующих причин:
- механического повреждения корпуса прибора;
- неисправностей технического характера;
- устарелого оборудования;
- повреждения пломб или их отсутствия.
В большинстве квартир установленные электрические счетчики являются старыми образцами, то есть они выпущены еще в 60-х годах ХХ столетия. Разработчики старых устройств не ожидали, что квартиры будут столь заставлены бытовой техникой. Повседневная жизнь современного населения немыслима без микроволновой печи, стиральной машины, кондиционера и прочей бытовой техники. Следовательно, возникает большая перегрузка счетчиков, последствием чего может быть их возгорание. Еще больше усугубляет ситуацию старая проводка, которая тоже является пожароопасной, что влечет за собой опасность для жильцов квартиры.
Кроме того, места, где находятся старые электросчетчики, зачастую оплетены паутиной и покрыты большим количеством пыли. Старые крепления и обвисающие провода нередко приводят в уныние жильцов квартиры. Поэтому хозяева рано или поздно принимают решение о немедленном ремонте и обновлении дома. Так как старый счетчик не вписывается в новый интерьер, возникает желание выполнить монтаж электросчетчика.

В квартирах не принято устанавливать электрические счетчики самостоятельно
Стремление сэкономить часто предполагает необходимость установки новых современных счетчиков электроэнергии. Инженерами была изучена и принята во внимание многотарифная система учета электроэнергии. Следовательно, тот, кто обладает подобным прибором, сможет сэкономить около 30% от обычного ежемесячного платежа.
Полезный совет! Замену или установку электросчетчика необходимо проводить во время ремонта или модернизации системы энергоснабжения в доме. Обычно срок службы данных приборов составляет около 16 лет, а техническая проверка должна проходить один раз в 24 месяца. По истечении указанного термина необходимо провести замену прибора.
Подключение счётчиков электроэнергии: особенности выполнения работ
Очень многих людей интересует вопрос о том, как установить электросчетчик. В большинстве случаев установкой или заменой электрических счетчиков занимаются специальные организации, которые выполняют монтаж и настройку приборов. Цена установки счетчика электроэнергии сотрудниками таких компаний слишком завышена и не всегда бывает по карману обычному потребителю. Поэтому, если есть желание, то установить прибор учета электроэнергии можно самостоятельно, без участия дипломированного специалиста.

Если нарушить правила установки электросчетчиков, это может привести к несчастному случаю
Для этого необходимо соблюдать требования безопасности при работе с электричеством и знать правила установки счетчика электроэнергии. Учитывая это, можно избежать возникновения таких проблем, как аварии, пожары в доме или на подстанции, поражения электрическим током.
Поскольку электросчетчик – это непростой и сложный прибор, следовательно, на его работу могут влиять внешние факторы, такие как повышенная влажность, температура, а также агрессивные химические вещества. Обычно все требования относительно установки выполняются при размещении устройства в квартире. В случае монтажа на лестничной клетке понадобится специальный ящик для электросчетчика.
Полезный совет! Не рекомендуют заниматься процессом монтажа без необходимой квалификации и знаний законодательства. Нарушение правил установки электросчетчиков могут привести к несчастному случаю.
Как установить счётчик электроэнергии: место для монтажа
Установка приборов учета должна выполняться в специально отведенных местах: в шкафчиках, нишах, на панелях или боксах для электросчетчиков. Чтобы выполнить монтаж устройства, необходимо деревянный или пластиковый щиток для счетчика оснастить жестким креплением.

Высота установки счетчика над полом должна составлять от 0,8 до 1,7 метра
Установка прибора выполняется на высоте от 80 см до 1,7 м, но в случае острой необходимости высота размещения может быть уменьшена до 40 см. Ниже данного показателя установка устройства запрещена.
Особое внимание необходимо уделить месту монтажа прибора в том случае, если счетчик электроэнергии нужно установить в гараже. Обычно такое помещение не отапливается, следовательно, и прибор должен быть устойчивым к низким температурам и влаге. В продаже есть счетчики, созданные для установки в неотапливаемых помещениях. Пригодятся такие приборы также для дачи или домов, которые в зимнее время отапливаются непостоянно.
Полезный совет! Очень важно, чтобы после установки прибора к шкафчику, ящику или нише был обеспечен комфортный доступ для осмотра и ремонта электрического счетчика обслуживающим персоналом.
Кто должен устанавливать счетчики на электроэнергию: разбираемся в ситуации
Все вопросы, касающиеся учета использованной электроэнергии и соответствующего оборудования, решаются согласно требованиям, указанным в разнообразных законодательных документах. В них изложен порядок и особенности выполнения работ по ремонту и замене устройств, а также правила по эксплуатации приборов.

Установив новый счетчик, нужно подать заявку на опломбирование в энергоснабжающую компанию
Контроль за правильной работой прибора, а также техническое обслуживание осуществляется электроснабжающими компаниями. Замена счетчика электроэнергии возможна только после подачи заявления на замену устройства в данную организацию. Для этого нужно при себе иметь следующие документы:
- паспорт;
- документ, подтверждающий право собственности.
Установку нового прибора должен выполнять квалифицированный специалист, поскольку человек без опыта может не только допустить критические ошибки при подключении, но и полностью сломать новое устройство. Только специалист знает, как правильно подключить электросчетчик.
Очень важно после установки нового аппарата подать заявку на опломбирование в энергоснабжающую компанию. Уполномоченное лицо составляет акт приема счетчика и выполняет опломбировку прибора.
Полезный совет! Стоимость установки счетчика электроэнергии, независимо от причины замены, должен оплатить владелец помещения.

Монтаж счетчика должен выполнять квалифицированный специалист
Электросчетчик на столбе: особенности размещения и подключения
В последние годы очень часто используется вариант установки электрических счетчиков на столбе на улице. Это особенно удобно для работников компании энергообеспечения при снятии показателей. В частном доме, если счетчик расположен внутри, снять показания можно только в случае присутствия его жильцов. При размещении прибора на улице дело обстоит иначе.
Статья по теме:
Умные счетчики электроэнергии: полезное и удобное приспособление
Разновидности приборов. Принцип работы. Преимущества и недостатки автоматических приспособлений. Обзор рынка.
Рассмотрим некоторые особенности расположения счетчика учета электроэнергии на столбе:
- Возможность установить приборы учета электроэнергии на уличном столбе имеет каждый, у кого есть навыки в работе с электричеством. Тем не менее право подключить к устройству электричество разрешено исключительно представителям поставщика электроэнергии.
- Если счетчик электричества вне помещения, а именно на уличном столбе, устанавливают представители электросетей, то к потребителю претензий появиться не должно. Еще перед началом монтажных работ готовятся документы, в которых указываются требования к установке определенного учетного прибора и граница балансовой принадлежности.
- Установка счетчика электроэнергии на столбе производится исключительно в случае согласия собственника прибора учета. В частных домах граница балансовой принадлежности проходит не внутри помещений, а на улице. При этом точное место должно быть определено соответствующей техдокументацией.

Монтаж счетчика на столбе производится только в том случае, если есть согласие собственника прибора учета
Полезный совет! Очень часто электрические счетчики выходят из строя вследствие выгорания клемм в местах соединения проводов. Очень важно обращать внимание на затяжку винтов на калымных зажимах. Рекомендуется перед установкой крышки еще раз выполнить протяжку всех винтовых соединений.
Этапы установки счетчиков на столбе: особенности процесса
На первом этапе установки нужно согласовать конкретное место размещения электросчетчика на уличном столбе. Главным условием является оптимальное расположение прибора от уровня земли. Согласно норме он должен находиться на высоте от 0,8 м до 1,7 м. В некоторых случаях, например, чтобы исключить вероятность вандализма, счетчики монтируют на высоте более 2,5 м.
Такое их расположение не очень удобно для работы сотрудников электросети, так как снять показатели на предполагаемой высоте крайне неудобно и практически нереально.

Электрический счетчик должен находиться на высоте от 0,8 м до 1,7 м
Чтобы осуществить установку счетчика на столбе, необходимо выполнить следующие действия:
- Входная линия обязательно обесточивается. Организация, которая поставляет энергию, дает согласие на выполнение данного процесса.
- Нужно обеспечить заземление. Это условие направлено на то, чтобы все имеющиеся в доме электроприборы безопасно продолжали работать.
- Подсоединение проводов. Электрические провода сначала подключаются к автоматическому выключателю защиты, после чего их следует подсоединить к электросчетчику.
- Подключается разводка. Вся разводка в доме выполняется на последнем этапе.
- Опломбирование прибора. После установки счетчика электроэнергии на столбе нужно пригласить работников энергосети для того, чтобы они опломбировали прибор и взяли его на учет.
Полезный совет! Выполнение каждого этапа должно четко соответствовать правилам и нормам, которые установлены для проведения работ с электроприборами.
Установка счетчика электроэнергии в квартире: стоимость работ
Обычно установка счетчика на электричество не вызывает особых трудностей и ее вполне можно выполнить самостоятельно. Что касается профессионального подключения, то ценовая политика довольно разнообразная. На цену установки счетчика электроэнергии в квартире влияют такие характеристики, как тип прибора и его технические параметры.

Перед тем как заменить счетчик, специалист должен выполнить подготовительные работы
Чтобы ориентироваться, сколько стоит установка электросчетчика, необходимо учитывать следующие критерии:
- модификацию устройства;
- тип электросети;
- особенности условий подключения;
- необходимость дополнительных работ;
- количество подключаемых приборов.
Прежде чем заменить счетчик, мастер должен выполнить подготовительные работы.
Полезный совет! Сколько стоит установка или замена счетчика электроэнергии? Чаще всего цена равняется 50% от стоимости самого прибора. Однако финальная сумма может варьироваться в зависимости от сложности работ и квалификации мастера.

На стоимость установки счетчика влияет количество подключаемых приборов
Как подключить электрический счетчик самостоятельно: порядок действий
Механизм установки или замены электрического прибора для подсчета использованной электроэнергии отличается от других видов монтажных работ в первую очередь наличием обязательных юридических процедур. Такие же требования необходимо выполнять и в случае установки счетчика электроэнергии в частном доме.
Весь процесс можно разделить на следующие этапы:
- Требуется получить разрешение от поставщика электроэнергии на установку или замену устройства.
- Если нужно, то выполняется проверка аппарата.
- В случае замены прибора работник компании-поставщика должен снять показания со старого счетчика и создать акт снятия пломбы.
- Отключение и снятие старого прибора. Перед началом работ обязательно необходимо с помощью специальных приборов убедиться в отсутствии напряжения.
- Непосредственно установка или замена аппарата.
- Завершительный этап. Энергоснабжающая компания составляет акт ввода нового устройства в работу, устанавливает необходимые пломбы. В акте должны быть зафиксированы показания нового счетчика на момент монтажа, а также указан регистрационный номер пломбы.
Счетчик для учета потребленной электроэнергии необходимо устанавливать исключительно в специально предназначенных для этого местах. Не допускается монтаж прибора непосредственно на легковоспламеняющихся поверхностях, в том числе деревянных.

Чтобы установить новый счетчик, нужно отключить и снять старый прибор
Установка аппарата в плане подсоединения проводов значительных трудностей не представляет. Схему подключения легко найти в сети, а также она есть в паспорте нового прибора. Допустить ошибку в порядке соединения приборов сложно, но нужно быть предельно внимательными и строго следовать предоставленной схеме.
При установке прибора необходимо осторожно обращаться с пломбами на аппарате. Их обычно две: пломба, установленная на заводе-изготовителе, и пломба организации, проверяющей прибор. Повреждение любой из них приводит к очень серьезным последствиям, вплоть до выставления счета за электроэнергию по самому высокому тарифу или взыскания максимально возможного штрафа.
Это важно! Во время работ по замене или установке электрического счетчика необходимо строго-настрого соблюдать технику безопасности. В том случае, если собственной квалификации недостаточно, лучше воспользоваться услугами специалиста.
Учет потребленной электроэнергии в последнее время играет важную роль, так как позволяет значительно упростить взаимосвязь между потребителем и компанией-поставщиком. Правильным образом установленный счетчик учета – это надежный аппарат, который способен бесперебойно работать на протяжении длительного периода времени.

Для замены счетчика лучше воспользоваться услугами специалиста
Кроме того, установка электросчетчика на территории Российской Федерации – процедура довольно востребованная. Это связано с большим количеством объектов, которые потребляют электроэнергию. Данное мероприятие требует вызова специалиста. Однако с учетом того, сколько стоит установка счетчика электроэнергии, большое количество людей устанавливают прибор самостоятельно. В этом случае необходимо придерживаться техники безопасности и строго следовать схеме подключения прибора, а также следует детально изучить инструкцию о том, как установить электросчетчик в квартире.
remoo.ru
Как установить счетчик электроэнергии своими руками. Последовательность установки электросчетчика. Обзор видов счетчиков и советы по самостоятельной установке.
Счетчики электроэнергии являются не просто полезными приборами – это предметы первой необходимости. Любые помещения, как жилого, так и нежилого фонда, не оснащенные этими устройствами, но при этом использующие электроэнергию, будут считаться вне закона. Хозяева таких помещений рискуют быть оштрафованными на крупную сумму денег. Кроме этого дом, скорее всего, отключат от электросети. По этой причине необходимо устанавливать счетчик в обязательном порядке.
Классификация счетчиков
Существующие модели счетчиков классифицируются:
1. По принципу работы:
- механические. Это самый популярный вид электросчетчика, существующий на рынке с незапамятных времен. Он функционирует следующим образом: ток, проходящий сквозь устройство, приводит в движение круглые металлические элементы. Они вращаются, а использованная электроэнергия учитывается в зависимости от числа сделанных оборотов. Такие счетчики недорого стоят, но их показания могут иметь небольшую погрешность;

- электронные. Такие счетчики появились гораздо позже механических. В них нет двигающихся частей, а энергопотребление учитывается с помощью микросхем либо полупроводников. Датчики напряжения передают сведения о количестве использованной электроэнергии. Электронные счетчики стоят дороже, чем механические, но при этом позволяют вести учет более точно.

2. По числу поддерживаемых фаз. Этот показатель у электросети и у счетчика должен совпадать. Но существуют некоторые трехфазные модели, которые можно присоединить к однофазной сети. Но если сеть имеет три фазы, то однофазных счетчиков для нее потребуется три.
Основные характеристики электросчетчиков
- Точность учета потребляемой энергии и допустимая погрешность. Раньше она находилась в пределах от 0,2 до 2,5%. Но теперь государство ввело новый стандарт учета, согласно которому максимально допустимая погрешность снизилась до 2%. Теперь это и есть тот показатель, который свойственен большей части устройств, существующих на рынке.
- Способ подключения. Подключение счетчика электроэнергии возможно либо напрямую, либо через трансформатор. Это зависит от того, какова общая нагрузка на электросеть. Напрямую устройство можно подключать тогда, когда данный показатель не более 100 А. Если же он выше, то возникает необходимость в установке трансформатора.
- Класс напряжения. При выборе счетчика нужно отталкиваться не только от общей нагрузки сети, но и от его собственного класса напряжения. Зачастую он равняется 220-ти, 380-ти либо 100-та В.

- Тип установки. Когда устройство располагают на высокой стороне, то дополнительно к нему монтируют трансформатор. Благодаря нему цифра на выходе не превышает 100 В. Сторона является высокой, если на входе присутствует высоковольтная линия или имеется высоковольтный трансформатор.
- Тарифность. В частных домовладениях чаще всего используют однотарифные приборы. Двухтарифный счетчик электроэнергии стоит значительно дороже, и нуждаются в оформлении пакета документов. Это так же относится и к многотарифным устройствам. Из-за этого недостатка частные домовладельцы их не применяют. К тому же физические лица не в каждом случае могут воспользоваться делением на тарифы. Чаще всего это прерогатива промышленных объектов и офисных зданий. Многотарифный счетчик дает возможность подсчитывать потребленную энергию согласно нескольким тарифам, например по дневному и ночному.
Правила установки однофазного счетчика
Установка счетчика электроэнергии– очень ответственный процесс, требующий неукоснительного соблюдения некоторых правил:
- помещение, в котором будет установлен счетчик, должно быть сухим, чтобы в процессе монтажа и дальнейшей эксплуатации не возникало проблем; температура в нем должна варьироваться от 0 до +40°С. Если же она опускается ниже нуля, то помещение следует утеплять и отапливать;
- устанавливать устройство можно на стене, на панелях, в щитке, в шкафу, в релейном отсеке комплектного распределяющего прибора;
- счетчик может крепиться на металлических, пластиковых и деревянных щитках;

- расстояние от пола до прибора может варьироваться от 80 до 170 см. Для беспрепятственного использования лучше размещать его на уровне глаз;
- наклон установленного прибора не должен составлять более 1°. В противном случае погрешность показаний может увеличиться. Это предостережение касается лишь индукционных устройств;
- размер ниши, шкафа, щитка, в котором будет размещаться счетчик, должен быть таким, чтобы доступ к прибору не был затруднен;
- подключая провода необходимо обращать внимание на их цвета. Зачищать их следует минимум на 12 мм;
- необходимо позаботиться об установке автоматических выключателей устройства. Они потребуются в том случае, если будет производиться ремонт или замена счетчиков электроэнергии. Будет возможность отключить питание на то время, пока производятся манипуляции. А чтобы контролирующая инстанция не обвинила вас в хищении энергии, устройство пломбируют.
Схема монтажа однофазного счетчика
Если вам необходим электрический счетчик, нужно подумать о покупке готового электрощитка, оснащенного всеми нужными элементами. Если такой возможности нет, то для самостоятельного монтажа нужно приобрести:
- счетчик;
- деревянная либо пластиковая коробка, в которой будет установлено оборудование;
- автоматические выключатели;
- дин-рейка;
- контактная медная пластина, рассчитанная на подсоединение минимум 10-ти проводов;
- кабель трехжильный, с минимальным диаметром 3 мм;
- саморезы из нержавеющей стали с широкой шляпкой, либо пластмассовые дюбеля.

Последовательность установки электросчетчика:
1. Начать необходимо с предварительного размещения всего оборудования в щитке. Это нужно для того, чтобы понять, подходит ли он по размеру, остается ли место для крепежей и можно ли свободно разместить в нем все необходимое.
2. Далее отметьте места, отведенные под пластину, дин-рейку и счетчик. Закрепите оборудование согласно разметке;
щелчком зафиксируйте на рейке автоматические выключатели.
3. Теперь приступайте к разводке проводов по следующей схеме:

- выведите фазу на автоматические выключатели бытовых электроприборов, имеющихся в помещении. Они служат, для того чтобы предотвратить скачки напряжения и перегрузку сети;
- определите по схеме устройства, с какой стороны находится фаза. Чтобы вывести ее на отдельные автоматы разрежьте оболочку кабеля и извлеките из него красный и коричневый провода. Отмерьте нужный отрезок, исходя из того, как он будет монтироваться, по горизонтали или по вертикали. Протягивать его диагонально строго запрещено;
- зачистите на 20 мм провод, который был извлечен из кабеля, вставьте предназначенную ему клемму и зафиксируйте крепежами. С той стороны, где находится выключатель автомата, зачистите провод максимум на 10 мм. Используя провода, сформируйте п-образные перемычки, зачистите из окончания и подключите к системе все находящиеся рядом автоматические выключатели. Нельзя допустить положения проводов внахлест, в противном случае места соприкосновения перегреются;
- после того как фаза подключена, выведите ноль. Выберите для этого провод любого цвета. Так же отмерьте достаточную длину от счетчика до медной пластины. Зачастую клеммой для нуля является либо первая с правой стороны, либо четвертая слева. Провода для нуля зачистите и подключите с двух сторон;
- щит зафиксируйте на стене, после того как будет подключен счетчик. Сначала пометьте тот участок стены, который он будет занимать, высверлите на нем отверстия и прикрутите, используя саморезы.

4. Далее следует установить заземление. Для стальных щитков схема такова: счетчик – щит – контактная пластина. Если материал, из которого произведен щит, не проводит электричество, тогда выведите заземление прямо на пластину.
До того как счетчик электроэнергии будет подключен к сети, нужно узнать в соответствующей инстанции, можно ли это сделать самостоятельно. Чаще всего разрешение дают при условии последующей проверки и пломбировании устройства специалистами.
В каких случаях требуется монтаж трехфазного счетчика
Трехфазные счетчики устанавливают в том случае, когда потребление энергии находится на высоком уровне – более 10 кВт. Для частных домовладений это не характерно, поэтому в них устанавливают однофазные приборы.
Трехфазные счетчики выдают не 220, 380 В. Это является неоспоримым преимуществом в том случае, если в доме проводятся различные работы, например сварка. Данное устройство гарантирует отсутствие скачков напряжения, как в помещении, где оно находится, так и по соседству. В связи с этим значительно увеличивается срок службы электроприборов и исключает возможность их выхода из строя во время скачка электроэнергии.

Трехфазные счетчики подключаются напрямую или косвенно. Второй вариант подключения используют при наличии трансформатора и чрезмерной нагрузки на сеть. В частных домах хватает и первого варианта подключения.
Схема, по которой монтируется трехфазный счетчик
Трехфазные счетчики монтируют внутри специальных щитов, оборудованных платформой и трехвинтовым креплением. Крепятся они, так же, как и однофазные, а схема их подключения такова:
- Питающий кабель имеет три фазы, пятый проводник для заземления и ноль, он заходит в электрощит. Желтая фаза подключается к первому контакту, зеленая – к третьему, красная – к пятому. Если ошибиться на данном этапе, то устройство не будет корректно функционировать. Когда одна из фаз будет подключена, счетчик следует проверить на наличие ошибки, далее после подключение второй фазы проверку повторяют и т.д.

- Выводится электроэнергия из счетчика со второго, четвертого и шестого контактов. Ноль приходит на седьмой и восьмой контакты.
- Проводник заземления прикрепляется к специальной шине. Связывать ноль с землей нужно в обязательном порядке, чтобы в сети не произошло чрезмерное напряжение.
recn.ru
Установка электросчетчика своими руками
Главным предназначением электросчетчика является измерение уровня потребления электроэнергии. Обычно монтажом подобного оборудования занимаются специализированные сотрудники, но при желании справиться с установкой электросчетчика можно своими руками. Главное – тщательно подготовиться к предстоящему мероприятию и сделать все в соответствии с инструкцией, т. к. при самостоятельной установке вся ответственность за выполняемые действия и возможные последствия будет лежать исключительно на вас.

Установка электросчетчика своими руками
Виды счетчиков
В зависимости от механизма действия счетчики электроэнергии делятся на электронные и индукционные. Индукционное оборудование постепенно вытесняется с рынка преимущественно по инициативе правительства – такие счетчики очень легко «обмануть».

Виды счетчиков

Электронные счетчики электроэнергии
Электронные счетчики электроэнергии отличаются более высокой точностью, меньшими габаритами и отличной универсальностью. К примеру, современные электросчетчики поддерживают работу в многотарифном режиме. Такое преимущество актуально для регионов, в которых тарифы на электричество меняются в зависимости от времени суток. Поэтому при выборе между индукционным и электронным оборудованием предпочтение однозначно стоит отдавать в пользу последнего.
Счетчики электроэнергии классифицируют по значению номинального тока и показателям (классу) точности. Чем ниже будет цифра класса вашего счетчика, тем с меньшим отклонением он будет работать.
Для определения примерного необходимого номинального тока разделите допустимое значение активной мощности, которую предоставляет сетевая организация на одного потребителя, на напряжение вашей сети, т. е. на 220В либо 380В.
Обычно на трехфазное подключение выделяется более высокая мощность, однако, применение однофазных сетей в бытовых условиях является более целесообразным и предпочтительным.

Электрические счетчики
Сложности с подключением счетчика возникают в ситуациях, при которых владельцу необходимо запитать здание с расчетным током выше 100 А. В таких условиях прямая «врезка» счетчика неосуществима. Для установки учетного оборудования понадобится дополнительно подключать трансформаторы тока.
Применение любых промежуточных компонентов приводит к увеличению погрешности учета расхода электроэнергии, поэтому трансформаторная схема должна быть грамотно спланирована. Решением этой задачи в обязательном порядке занимается квалифицированный специалист.
При выборе счетчика обратите внимание на срок давности установки пломбы и целостность этого элемента.

Пломбы на счетчике
Пломба госповерителя крепится к винтам кожуха учетного прибора. Пломба счетчика для однофазной электросети должна быть не «старше» 1 года. В случае со счетчиками для трехфазных сетей максимально допустимый срок увеличивается до 2 лет.
Законна ли самостоятельная установка электросчетчика?

Законна ли самостоятельная установка электросчетчика
С установкой электросчетчика можно безо всяких проблем справиться самостоятельно. Однако прежде чем вы решите «расчехлить» плоскогубцы, получите нужные разрешения и прочие документы. Для этого обратитесь в местное представительство сетевого провайдера с запросом на выдачу технического задания для проведения работ. Там же вы сможете заключить необходимый договор.
В упомянутых документах перечисляется ряд требований, которые в обязательном порядке должен выполнить пользователь перед подключением строения к электросети. Также в документации четко разграничивается ответственность между поставщиком электроэнергии и ее потребителем.
В соответствии с действующим законодательством домовладелец должен устанавливать счетчик в пределах своих сетей потребления. Лучшим местом для установки счетчика является отапливаемый распределительный щиток в доме. Однако в последнее время контролирующие организации требуют, чтобы учетное оборудование устанавливалось строго за пределами жилого помещения в свободном доступе для проверяющих организаций.
К примеру, представитель сетевой компании может потребовать, чтобы вы установили электросчетчик на фасаде своего дома либо даже на ближайшем электростолбе. Все эти моменты обсуждаются в индивидуальном порядке. Владельцев же квартир обычно обязывают размещать рассматриваемое оборудование в общем щитке на площадке.

Электросчетчики
По официальным заявлениям поставщики электроэнергии вынуждают владельцев устанавливать счетчики на улице для обеспечения доступности к устройству с целью снятия показаний и выполнения технического обслуживания. По неофициальным же данным поставщики так пытаются предотвратить возможность несанкционированного доступа к учетному оборудованию с целью кражи электроэнергии.
Схемы подключения электросчетчика
Разбираться в каких-либо сложных схемах подключения учетных устройств домашнему мастеру необязательно. Поэтому вашему вниманию предлагаются самые популярные и элементарные варианты подключения электросчетчика.
Простейший вариант – это подключение по однофазной схеме. Для монтажа такой сети понадобится не более 6 электропроводов без учета нагрузки. К входу прибора подключаются кабели рабочего «нуля», фазы и заземления. Аналогичные кабели размещаются и на выходе учетного аппарата.

Подключение однофазного электросчетчика
Для большего удобства и безопасности перед счетчиком рекомендуется устанавливать автовыключатель. Это приспособление будет автоматически отключать электроснабжение в случае появления аварийной ситуации.

Схема подключения электросчетчика (однофазного и трехфазного)
Службы энергосбыта не совсем благосклонно относятся к упомянутым выключателям. Чтобы избежать лишних проблем и разбирательств, выключатель следует опломбировать с помощью специальной пластиковой коробочки, DIN-рейки и собственно пломбы. Стоят все эти дополнительные приспособления немного, места практически не занимают, крепятся очень легко, поэтому выделите немного времени и уберегите себя же от лишней головной боли.
В конструкции учетной установки присутствуют специальные клемники, они же шины. Такое приспособление представляет собой планку из меди, фиксируемую при помощи специальных диэлектрических зажимов. В планке присутствует несколько отверстий, посредством которых выполняется подключение проводов с использованием винтовых зажимов. Этот вариант подключения подходит для тех ситуаций, когда возникает необходимость соединения нескольких отдельных проводов в единое целое.
Видео — Как установить электросчетчик однофазный
Правила установки счетчика
Существует ряд важных требований, которые вам придется неуклонно соблюдать при установке электрического счетчика. Прежде всего, изучите положения техники безопасности, актуальные для любого электрического оборудования.
Устанавливать электросчетчик при минусовой температуре не рекомендуется. Электроника не очень хорошо переносит холод – под его воздействием точность измерений снижается.

Правила установки счетчика
Для большинства бытовых моделей электросчетчиков минимально допустимой температурой установки является показатель в +5 градусов. Поэтому если прибор учета устанавливается вне помещения, необходимо предусмотреть возможность его монтажа в специальном подогреваемом и герметично закрытом шкафу.
Высота крепления агрегата – 80-170 см над землей. Если вы установите счетчик ниже либо выше, вам будет попросту неудобно снимать числовые показания с экрана.
Остальные же важные рекомендации вам даст представитель поставщика электроэнергии в момент заключения договора и получения требуемых разрешений на установку электроисчислительного оборудования.
Порядок подключения электросчетчика
Самостоятельная установка электросчетчика выполняется в несколько простых шагов.
Первый шаг. Подготовьте необходимые приспособления для установки, а именно:
- электросчетчик;
- абонентский защитный щиток;

Электрический щит
- монтажные принадлежности с предварительно изолированными рукоятками;
- электропровода;
- изоляторы;

Изолятор шинный SM-25
- гайки, крепежные винты;
- DIN-рейки для фиксации элементов;

DIN-рейки
- указатель электрического напряжения;
- выключатели.
Второй шаг. Узнайте, сколько фаз (1 либо 3) имеет ваша электросеть. Рассчитайте нужное число автоматических выключателей.
Третий шаг. Установите счетчик в корпус щитка. Для фиксации изделия используйте крепежи из комплекта.
Четвертый шаг. Установите автоматические выключатели. Эти приспособления фиксируются к DIN-рейке. Рейка предварительно прикрепляется к опорным изоляторам при помощи винтов. Сам же автомат на DIN-рейке фиксируется с помощью подпружиненной защелки.
Пятый шаг. Установите защитную и земляную шину на изоляторах внутри корпуса щитка либо же на специальную DIN-рейку. Для крепления элементов используйте гайки и крепежные винты. Шины размещайте на расстоянии, чтобы не допустить замыкания кабелей.
Монтаж начинайте с подключения нагрузки на автоматы, после этого подсоедините автоматы к электрическому счетчику и лишь затем подключайте непосредственно счетчик.
Шестой шаг. Подключите все нагрузки. Фаза пойдет к нижним зажимам автоматов, «ноль» подсоединяйте к «нулевой» шине, заземляющий кабель пустите на соответствующую заземляющую шину.
Седьмой шаг. Соедините верхние зажимы защитных автоматов перемычками. Готовые перемычки вы можете купить в специализированном магазине.
Восьмой шаг. Подключите учетный прибор к нагрузке. Для этого подсоедините выход «фазы» (представлен третьим зажимом электросчетчика) к верхним зажимам защитных автоматов, а выход же «нуля» (четвертый зажим электросчетчика) подсоедините на соответствующую нулевую шину.
Девятый шаг. Прикрепите корпус электрического щитка к стене или другой ровной поверхности на оптимальной для вас высоте.
Десятый шаг. Найдите провода «нуля», «фазы» и заземления. При отсутствии заземления работа будет предельно простой: вы проверяете каждую жилу с помощью указателя индикатора, и он сам указывает на фазу. При наличии же заземления его жила обычно помещается зеленым цветом.
Одиннадцатый шаг. Отключите питание дома.
Двенадцатый шаг. Подсоедините провод «фазы» на первую клемму электросчетчика, а «ноль» — на третью клемму.

Как установить электросчетчик
На этом самостоятельное подключение электросчетчика считается законченным. Проверьте прибор на холостом ходу и начинайте постепенно подавать нагрузку. После предварительной проверки обратитесь в энергосбыт с запросом на дополнительную проверку и опломбирование счетчика.
Удачной работы!
Видео – Установка электросчетчика своими руками
tolkostroyka.ru
Как установить электосчетчик своими руками
Электросчетчик — это прибор для измерения потребляемой электроэнергии. Электросчетчики могут быть расчетными — для оплаты энергоснабжающей организации потребленных киловатт, а также контрольными — для каких-то своих измерений потребителя (анализа потребления отдельных приборов, участков или расчётов с субабонентами и пр.) Из нашей статьи вы узнаете, как произвести установку электросчетчика своими руками.
До 1996 года выпускались и применялись бытовые счётчики классом точности 2,5 (допустимая погрешность в измерениях — 2,5%). В 1997 году их производство было прекращено, и счетчики массово заменили на индукционные, классом 2,0 и электронные, класс точности которых может достигать и 0,5%. ( вот основные классы точности электросчетчиков: 0,5 1,0 1,5 2,0. Цифра класса означает возможную погрешность измерений в процентах.).
Электронные счетчики имеют меньший вес, габариты, более надёжны, их сложнее обмануть.
Расчетные счетчики, как правило, являются собственностью энергсбытовой организацией, если иное не предусмотрено договором электроснабжения, и устанавливаются её специалистами. Они же и пломбируют такой счетчик, а потребителю оставляют его на ответственное хранение и эксплуатацию.
Если же вы всё-таки захотели самостоятельно заняться монтажом электросчетчика, то это совсем несложно, но ответственность за все последствия вы принимаете на себя. В первую очередь необходимо соблюдать правила электробезопасности.
Инструменты и материалы:
- счётчик электрический
- щиток абонентский
- комплект инструментов с изолированными рукоятками
- указатель напряжения
- DIN — рейки
- автоматические выключатели (ВА)
- провода электрические
- винты, гайки
- мзоляторы
Установка электросчетчика
Сначала необходимо определить, какая у вас сеть — однофазная или трехфазная. Сколько нужно отключающих аппаратов, и какие у них номинальные токи (выключателей автоматических, УЗО-устройств защитного отключения).
Монтировать какие-либо сложные устройства любителю не стоит, поэтому ниже будут рассмотрены простейшие случаи с несложной схемой подключения электросчетчика (квартира, садовый домик или нечто подобное).
Однофазное подключение — это самый простой вариант. Используются максимум 6 проводов, не считая нагрузки. На входе счётчика — фазный провод (Ф), провод рабочего «нуля» (Н) и (если есть) провод защитного заземления (РЕ). То же самое мы получим и на выходе счётчика.

Автоматический выключатель перед счётчиком (на схеме выше это двухполюсный автомат на 50А) не является обязательным элементом, но весьма удобен для экстренного отключения всего объекта и для работ внутри щитка. Энергосбыту они не нравятся (могут украсть у них киловатты), но есть простой выход — поместить выключатель в пластиковую коробочку с «ушками» для опломбирования и пластиковой же DIN — рейкой внутри. По цене она недорогая, места займёт немного, крепёж несложный.
Шины (клемники) представляют собой медную планку, которая крепится на специальных диэлектрических зажимах и имеет несколько отверстий для подсоединения проводов при помощи винтовых зажимов. Такой способ соединения используется, когда необходимо соединить несколько проводов в одно целое.
1. Работу начинаем с монтажа счётчика в корпусе щитка, который крепится входящими в комплект крепёжными деталями — винты с гайками для щитков, обычно 3 штуки.
2. Закрепляем автоматы (автоматические выключатели) на выгнутую пластину — DIN рейку 35 мм. Рейка крепится винтами на опорные изоляторы, а автомат на рейке фиксируется подпружиненной защёлкой: для его установки или снятия нужно всего лишь оттянуть защёлку наружу.

3. Земляная и защитная шинки устанавливаются на опорных изоляторах с помощью винтов и гаек в корпусе щитка, либо на DIN — рейку, но не вплотную друг к другу. Расстояние между ними необходимо для исключения замыкания проводов разного назначения.

Монтаж ведём «из конца в начало», т.е. сначала подключаем нагрузки к автоматам, затем автоматы к счётчику и только уже потом сам счётчик.
4. Подключаем каждую из нагрузок: к нижним зажимам автоматов подключается фазный провод нагрузки (Ф), к «нулевой» шинке — «нулевой» проводник (Н), к шине заземления — заземляющий провод (PE).
5. Верхние зажимы автоматов соединяем перемычками: они есть в продаже и очень удобны — нужно лишь отрезать нужное количество и установить.

Если их нет, то можно изготовить из обрезков монтажного провода, сняв изоляцию на длину 1 см. Выступающие части проводов необходимо изолировать.

6. Подключаем счётчик к нагрузке: 3-й зажим счётчика (выход «фазы») — к верхним зажимам автоматов (либо к одному из них, вместе с перемычкой), 4-й зажим счётчика (выход «нуля») — к нулевой шине, см. схема 1).
7. Теперь необходимо закрепить корпус щитка к ровной горизонтальной поверхности на удобной для считывания показаний высоте.
8. Перед подключением счетчика к питающей сети необходимо выяснить, какой из питающих проводов фазный, нулевой, защитный. Если проводов всего два — достаточно указателем напряжения коснуться их жил по очереди, на фазу укажет индикатор. Если имеется защитное заземление, то его жилу в электрических проводах помечают зелёным цветом. Нелишним будет посмотреть расцветку в месте подключения вашего питающего кабеля (силовой щит, сборка и т.д.).
9. После того как вы узнали «распайку» проводов и пометили их (запомнили цвета, повесили бирки и т.п.) — отключите питание вашего объекта!
10. Далее «фазный» провод подключаем к 1-й клемме, а «нулевой» — к 3-й клемме счётчика. (3-я и 4-я клеммы, как правило, соединены заводской перемычкой, см. схема 1).
Подключение закончено, можно опробовать счётчик на холостом ходу, а затем постепенно включить нагрузку. Если счётчик расчётный, необходимо вызвать специалиста энергосбыта для проверки и опломбирования.
Как самостоятельно установить счетчик для воды — читайте в нашей статье.
www.diy.ru
Подключение электросчетчика: схема, видео — Asutpp.ru
Для контроля и учета потребленной электрической энергии, необходимо специальное устройство – электросчетчик. Как на больших производственных предприятиях, так и в частных квартирах, при заключении договора на поставку электричества, без этого устройства не обойтись.
При установке счетчика для подсчета потраченной электроэнергии необходимо правильно подключить его в схему электроснабжения.
Электросчетчики бывают как однофазные, так и трехфазные, прямого или косвенного подключения.
В данной статье мы подробно расскажем, как самостоятельно подключить оба вида электросчетчиков.
Как установить однофазный электросчетчик
Однофазный электросчетчик подключают непосредственно в разрыв линии питания. До установки счетчика к линии питания не должны быть подключены какие-либо потребители электроэнергии. Для защиты подводящей линии электроснабжения перед счетчиком целесообразно установить вводной автоматический выключатель. Он будет необходим при замене счетчика, чтобы не обесточивать всю подводящую линию.
После счетчика также необходимо поставить автоматический выключатель, он будет защищать отходящую линию и сам счетчик, если неисправность произойдет в цепи потребителя электроэнергии.
Подключение однофазного электросчетчикаПри подключении электросчетчика необходимо обратить внимание на схему подключения, она обычно располагается на тыльной стороне клеммной крышки. У однофазного счетчика имеется четыре клеммы для подключение проводов:
- Вход фазного провода.
- Выход фазного провода.
- Вход нулевого провода.
- Выход нулевого провода.
Подключение однофазного электросчетчикаПровода питания после вводного автоматического выключателя зачищают от изоляции на 15 мм и подключают к 1 и 3 клемме, отводящие провода также зачищают от изоляции и подключают к 2 и 4 клемме, соответственно схеме на крышке прибора.
Схема подключения счетчика меркурийТакая схема подключения электросчетчика подходит для квартиры в многоэтажном доме, гаража, загородного дома или для небольшого торгового павильона.
Подключение современного электронного счетчика типа Микрон ничем не отличается от вышеизложенной схемы, которая может использоваться для установки любого однофазного учетного прибора.
Видео: подключение однофазного однотарифного счётчика электрической энергии
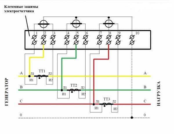
Подключаем трехфазный электросчетчик
Существует два типа подключения трехфазного счетчика, прямое и косвенное, через разделительные трансформаторы тока.
Если необходимо учитывать потребление относительно небольшого количества трехфазных потребителей малой мощности, то счетчик электроэнергии устанавливается непосредственно в разрыв питающих проводов.
Если же необходимо контролировать достаточно мощные потребители трехфазной электросети, и их токи превышают номинальные значение электросчетчика, значит необходимо устанавливать дополнительные трансформаторы тока.
Для частного загородного дома, или небольшого производства, будет достаточно установки только одного счетчика, рассчитанного на максимальный ток до 50 ампер. Его подключение похоже на описанное выше, для однофазного счетчика, но разница в том, что при подключении трехфазного счетчика используется трехфазная питающая сеть. Соответственно количество проводов и клемм на счетчике будет больше.
Подключение трехфазного счетчикаРассмотрим прямое подключение счетчика
Подводящие провода зачищают от изоляции и подключают к трехфазному автомату защиты. После автомата три фазных провода подключаются к 2, 4, 6 клемме электросчетчика соответственно. Выход фазных проводов осуществляется к 1; 3; 5 клеммам. Входной Нейтральный провод подключается к клемме 7. Выходной к клемме 8.
После счетчика, для защиты, устанавливаются автоматические выключатели. Для трехфазных потребителей ставятся трехполюсные автоматы.
К такому счетчику можно подключить и более привычные, однофазные электроприборы. Для этого необходимо подключить однополюсный автомат от любой отходящей фазы счетчика, а второй провод взять от нейтральной шины зануления.
Если планируется устанавливать несколько групп однофазных потребителей, их необходимо равномерно распределить, запитав автоматические выключатели от разных фаз после счетчика.
Схема подключения трехфазного электросчетчикаКосвенное подключение счетчика через трансформаторы тока
Если потребляемая нагрузка всех электроприборов превышает номинальное значение силы тока, которое может проходить через счетчик, но необходимо дополнительно установить разделительные трансформаторы тока.
Такие трансформаторы устанавливаются в разрыв силовых токоведущих проводов.
Трансформатор тока имеет две обмотки, первичная обмотка выполнена в виде мощной шины, продетой через середину трансформатора, она подключается в разрыв силовых проводов питания электропотребителей. Вторичная обмотка имеет большое количество витков тонкого провода, эта обмотка подключается к электросчетчику.
Счетчик подключенный через трансформаторы токаТакое подключение значительно отличается от предыдущего, оно намного сложнее и требует специальных навыков. Рекомендуем для работ по подключению трехфазного счетчика с трансформаторами тока пригласить квалифицированного специалиста. Но если вы уверены в своих силах и имеете подобный опыт, то это решаемая задача.
Необходимо подключить три трансформатора тока, каждый для своей фазы. Трансформаторы тока крепятся на задней стенке вводного шкафа учеба. Их первичные обмотки подключаются после вводного рубильника и группы защитных предохранителей, в разрыв фазных силовых проводов. В этом же шкафу устанавливается трехфазный электросчетчик.
Подключение производится согласно утвержденной схеме.
Схема подключения трансформаторов токаК силовому проводу фазы А, до установленного трансформатора тока, подключается провод сечением 1.5 мм², второй его конец заводится на 2ю клемму счетчика. Аналогично подключают провода сечением 1.5 мм² к оставшимся фазам В и С, на счетчике они подходят к клеммам 5 и 8 соответственно.
От клемм вторичной обмотки трансформатора тока, фазы А, провода сечением 1.5 мм² идут к счетчику на клеммы 1 и 3. Необходимо соблюдать фазировку подключения обмотки, иначе показания счетчика будут не верны. Аналогичным образом подключаются вторичные обмотки трансформаторов В и С, они подключаются к счетчику на клеммы 4, 6 и 7, 9 соответственно.
10-я клемма электросчетчика подключается к общей нейтральной шине зануления.
Установка счетчика в щите на лестничной площадке или гараже своими руками
На каждой лестничной площадке многоэтажного жилого дома, расположен щит учета с электросчетчиками, которые подсчитывают потребление электричества на всем этаже. Что нужно для монтажа счетчика в распределительном щите:
- Приготовить необходимые инструменты: кусачки, плоскогубцы, клещи для снятия изоляции, отвертки, изоленту и прочее.
- Доступ к вводному рубильнику для отключения от сети линию этого этажа.
Схема подключения счетчика и автоматов защиты.
Подключение счетчика в подъездеДля начала нужно сделать ответвления от питающей линии. Для этого предварительно обесточенные магистральные провода зачищают от изоляции с помощью специальных клещей, на расстояние 3 см. На это место ставят специальный клеммник для ответвления провода. После установки клеммника на магистральный провод, к нему подключают отводящий провод, который пойдет к вводному автомату.
Аналогичным образом делают ответвление и от нулевого магистрального провода.
Затем устанавливают все аппараты защиты, и сам счетчик, на панель щита, это удобнее делать с помощью Din-рейки. После установки всех компонентов на место производится подключение проводов.
Сделанное ответвление от фазного магистрального провода подключают к вводному автомату, затем с выхода вводного автомата провод подключается, согласно схеме, к первой клемме счетчика. Ответвленный нулевой провод подключают сразу ко второй клемме счетчика, автоматический выключатель для него не нужен.
От третьей клеммы провод идет на групповые автоматы защиты потребителей. Провод с четвертой клеммы подключается к общей шине зануления, к ней же будут подключаться все нулевые провода от потребителей.
Фазные провода, приходящие с квартиры, подключают к нижним зажимам автоматических выключателей, которые установлены после счетчика. Для каждого фазного провода (группы электроприборов) необходимо устанавливать отдельный автоматический выключатель. Запрещается подключение нескольких фазных проводов к одному автомату.
Все нулевые провода от групп потребителей электроэнергии квартиры, подключаются к общей шине зануления.
Помните, что в щите на лестничной клетке, располагаются не только ваши счетчики и автоматические выключатели, но и ваших соседей. Чтобы избежать путаницы при возникновении каких-либо неисправностей обязательно сделайте отметки с номером квартиры на ваших автоматических выключателях и счетчике.
Установка счетчика электроэнергии для гаража аналогична. Отличие заключается только в том, что нет надобности в ответвлении магистральных проводов, поскольку в гараж заводятся уже готовые отдельные провода питания.
www.asutpp.ru
что указано в законодательстве, правила установки
Замена электросчетчиков на новые модели более высокого класса точности (с 2,5 на 2,0) дает много преимуществ потребителям. И это уже сегодня не обсуждается, тем более, было постановление правительства, плюс полный переход производителей на выпуск новых счетчиков электроэнергии. И если жителей новостроек это уже давно не волнует, так как эти новые приборы сразу устанавливаются, то хозяева квартир и домов старого жилого фонда задаются вопросом – кто должен устанавливать счетчики на электроэнергию?

Вопрос на самом деле серьезный и, как показывает практика, спорный. Во всяком случае, споры до сих пор происходят, потому что ни одна из сторон (энергоснабжающие организации и потребители) не хотят брать на себя эту обязанность.
О чем говорит законодательство?
Чтобы разобраться в этом спорном вопросе, необходимо обратиться к Гражданскому кодексу. Здесь четко прописано, что владелец жилья (будь то это приватизированная квартира или квартира, расположенная в ЖСК, а также частный дом) должен полностью следить за правильной эксплуатацией электрических сетей, куда входит и электрический счетчик, отвечать за неисправности, проводить обслуживание и так далее. Получается так, что счетчик электроэнергии является частью собственности владельца квартиры.
То есть, эта статья Гражданского кодекса (кстати, за номером 210) ставит все точки над «i». Поэтому спорить здесь нет необходимости, монтаж будет производить собственник жилья. И этим вопрос, кто должен установить электросчетчик, можно закрыть.
Но ведь не весь жилой фонд находится в частной собственности. Есть квартиры и дома, владельцы которых живут в них по найму. То есть, этот фонд находится в коммунальной собственности, и за все отвечает управляющая компания. Почему она?
Все дело в том, что между квартирой и сетями, за которые отвечает энергоснабжающая организация, есть сети, за которые отвечает управляющая компания. И если внутри квартиры или дома за все отвечает человек, взявший жилье в найм, это касается и электросетей, то вне помещений ни за что он ответственности не несет. Так что управляющая компания должна сама за свой счет проводить монтаж. Значит, установка счетчиков в таких квартирах – дело не тех, кто в них проживает. Конечно, за электричество платит потребитель.
Хотелось бы отметить, что правила установки электросчетчиков Гражданским кодексом не определяются.
Правила установки
Теперь перейдем к такому вопросу, как правила установки счетчиков. Они четко описаны в ПУЭ, поэтому данный документ является основой всех основ для электриков.
Необходимо отметить, что устанавливать электросчетчики можно самостоятельно, если строго следовать схеме их подключения. Процесс этот несложный, и справиться с ним может даже новичок. Тем более, схема нанесена на клеммную коробку прибора. Хотя оптимальный вариант – это вызвать специалиста.
Итак, каковы правила.
- Как и любой прибор контроля и учета, электросчетчик должен пройти госповерку. Очень часто производители это делают уже на заводе, так что пломба, установленная на кожухе счетчика, говорит о проведении данного этапа. Обратите внимание на буквы на самой пломбе. Они обозначают дату проведения поверки. На одной стороне нанесены арабские цифры – это год проведения поверки, на обратной стороне набиты римские цифры – это квартал.
Внимание! Эти цифры очень важны, потому что установлены определенные периоды проведения госповерки. Для однофазных счетчиков это два года, для трехфазных один год. Если купленный вами прибор уже просрочен, то придется отнести его в органы Госстандарта. Поверка – процесс платный.
- Монтажная высота прибора – 0,8-1,7 метра. Может быть установка проведена и ниже, но не ниже 0,4 м. Место установки электросчетчика в квартире – распределительный щит в подъезде, который уже во время строительства дома устанавливается на определенную высоту. Этот показательный промежуток выбран с одной единственной целью – удобства снятия показания счетчика электроэнергии.
- Прибор должен стоять правильно по горизонтали и вертикали. Отклонение – 1º. Необходимо отметить, что для электронных моделей это не является важным, хотя так уж установлено правилами.
- Что касается распределительных щитов, ящиков и других приспособлений, куда устанавливается электрический счетчик, то в правилах нет каких-то особых ограничений. Их конструкции могут быть разными. Единственное, что указано в ПУЭ, это свободный доступ, легкая возможность подключения проводов, простота монтажа и демонтажа.
- Если производится установка трехфазного прибора, рассчитанного на напряжение в 380 вольт, то рекомендуется перед ним на расстоянии не более 10 метров провести монтаж отключающего устройства (рубильник, автоматический выключатель, предохранители и так далее).
Внимание! Отключение трехфазного электросчетчика обозначает снятие напряжение со всех трех фаз.
Правда, в последней позиции есть свой нюанс. Энергоснабжающие организации, видя автомата, установленный до счетчика электроэнергии, сразу начинают подозревать потребителя в возможности хищения электрического тока.

Поэтому совет:
- во-первых, установить автоматический выключатель в отдельно стоящий короб или ящик;
- во-вторых, провести его опломбировку, пусть это сделает контролер.
Что касается вопроса, как установить счетчик правильно: на улице или внутри дома, то здесь двоякий подход. Монтаж на улице дает возможность не беспокоить вас, когда контролер хочет снять показания. Но для этого необходимо будет использовать герметичный и утепленный щит или ящик. Если электросчетчик будет установлен в доме, то это должно быть сухое помещение. При этом вы должны будете обеспечить свободный доступ представителя энергоснабжающей организации к снятию промежуточных показаний, что не всегда является удобным.
onlineelektrik.ru
Как устанавливать электрический счетчик 🚩 акт установки счетчика электроэнергии 🚩 Коммунальные услуги
Автор КакПросто!
Монтаж и ввод в эксплуатацию приборов учета регулируется правилами установки электрооборудования и учетных приборов. Чтобы установить новый счетчик, необходимо выполнить ряд действий и оформить все документы, позволяющие его использовать.

Статьи по теме:
Вам понадобится
- – заявление в энергопоставляющую компанию;
- – паспорт;
- – разрешение;
- – акт ввода в эксплуатацию;
- – новый договор.
Инструкция
Самостоятельно демонтировать старый прибор учета и устанавливать новый строго запрещено. Обратитесь в поставляющую компанию с заявлением. В заявление укажите вид счетчика, который вы хотите установить – однотарифный, двухтарифный или трехтарифный. Если вам было выдано предписание, сменить или установить новый прибор учета, то вы все равно должны написать заявление и получить разрешение с резолюцией руководителя электросетей.В указанный срок придите за разрешением и принесите прибор учета, который вы будете устанавливать. Вам запрограммируют новый счетчик и только после этого, вы можете его устанавливать. Счетчик можно установить самостоятельно, это не запрещено правилами или пригласить мастера из энергосети.
Если вы вызвали мастера, то вам не нужно заботиться о правилах установки электросчетчиков. Специалист выполнит весь монтаж в соответствии с правилами и инструкциями.
При самостоятельном монтаже соблюдайте правила установки электросчетчиков. Устанавливайте прибор в доступном месте на высоте не более 1,70 и не менее 80 см, на максимально близком расстоянии от кабеля ввода. Все соединения делайте с использованием специальных зажимов, закрепляйте прибор на деревянном, пластмассовом или металлическом щитке. Помещение, где устанавливается прибор, должно иметь температуру не менее 0 градусов в холодное время года.После монтажа прибора, независимо от того кто проводил установку, вы сами или вызванный электрик, вызовите представителей из отдела по работе с клиентами. Они составят акт ввода прибора в эксплуатации.
С этим актом и с паспортом обратитесь в отдел по работе с клиентами и заключите договор на поставку и оплату электроэнергии. Это нужно сделать даже в том случае, если у вас уже имеется договор, так как в новом договоре укажут тип электросчетчика и его серийные номера.
Источники:
- установка эл счетчика
Совет полезен?
Статьи по теме:
Не получили ответ на свой вопрос?
Спросите нашего эксперта:
www.kakprosto.ru