Измеритель влажности и температуры воздуха
Читать все новости ➔
В литературе встречается достаточно много описаний электронных цифровых термометров как на основе микроконтроллеров, так и выполненных по простым логическим и аналоговым схемам. Этот прибор одновременно измеряет влажность и температуру в помещении. Влажность от 20 до 95% и температуру от 0 до 50°С. Этого вполне достаточно для контроля за влажностью и температурой в жилом, производственном помещении.
Главной частью прибора является датчик DHT11, который предназначен для измерения влажности и температуры в выше указанных пределах. При этом погрешность измерения влажности составляет ±5%, а температуры ±2%. Есть более точные аналогичные датчики – серии SHT1х, SНТ7х, но они значительно дороже и труднее доступны. Для бытовых применений DНТ11 больше подходит, в основном по стоимости.
Информацию о влажности и температуре датчик передает в цифровом виде по однопроводной шине (выводы 1 и 4 служат для подачи питания, вывод 2 – информационный, вывод 3 не используется). Выход датчик выполнен с открытым коллектором, поэтому используется резистор для его «подтяжки» к единице.
Номинальным напряжением питания датчика является +5\/, допустимое напряжение питания в пределах от 3,5 до 5,5\/.
Для инициации передачи данных микроконтроллер подает на датчик стартовый сигнал. Микроконтроллер подает логический ноль в течении времени не менее 18 µS, затем единицу в течение 20-40 µS. Затем датчик подает ответный стартовый сигнал на микроконтроллер подав логический ноль на 80 µS. Далее датчик формирует 5 байт для проверки правильности приема данных.
При передаче и приеме данных логическая единица и логический ноль кодируются длительностью импульса. Нулю соответствует импульс длительностью 28 µS, а единице соответствует длительность 70 µS.
Принципиальная схема устройства показана на рисунке в тексте. Схема состоит из датчика DНТ11, микроконтроллера PIC16F628A и двухстрочного 80-символьного жидкокристаллического индикаторного модуля типа HD447.
Микроконтроллер тактируется от внешнего кварцевого резонатора частотой 4 МГц.
Кнопка служит для сброса показаний.
Питание поступает от 9-вопьтовой гальванической батареи, напряжение которой понижено до 5V с помощью интегрального стабилизатора А1 типа 78L05.
Резистор RЗ служит для регулировки контрастности показаний индикатора.
Прошивка: Чтобы увидеть ссылку войдите или зарегистрируйтесь
Автор: Горчук Н.В.
Возможно, Вам это будет интересно:
meandr.org
Измеритель влажности и температуры в погребе
Опубликовал admin | Дата 30 декабря, 2014Здравствуйте уважаемые посетители. Основой этой конструкции является микроконтроллер PIC16F628A. В качестве датчика измерения влажности и температуры применен, недавно купленный на eBay – DHT 22.
Подробно про датчик можно прочитать в статье «Датчик влажности и температуры DTH 22». Про программу взаимодействия контроллера с датчиком, если интересно, почитайте в статье «Программа считывания данных с датчика DHT ». Пришло время рассказать про конкретную конструкцию, а именно про измеритель влажности и температуры.

Схема измерителя представлена на рисунке 1. Как я уже писал выше, все основные функции выполняет контроллер PIC16F628A. Для индикации измеряемых параметров используются два трехразрядных семисегментных индикатора с общим катодом. Последовательно всем сегментам включены гасящие резисторы R2… R9. От величины этих резисторов зависит яркость свечения индикатора. Чем больше номинал, тем тусклее светятся сегменты, но зато меньше и ток потребления всей конструкции. При номиналах этих сопротивлений 300 Ом, ток потребления всей схемы равен примерно 43 мА. Я обычно ставлю 510 Ом. Катоды светодиодов коммутируются через микросхему К555ИД10, представляющую собой дешифратор на десять выходов с открытым коллектором. У микросхемы используются три информационных входа, поэтому четвертый, вывод 12, заземлен. Резистор R1 это подтягивающий резистор для шины данных 1-Wire. Для связи с датчиком используются два вывода контроллера RA4 и RA5, выводы 3 и 4 соответственно. Такое подключение, если нет проблемы с нехваткой количества выводов микроконтроллера, упрощает программу, нет необходимости каждый раз коммутировать вывод с приема на выдачу. Керамический конденсатор С2 лучше ставить в непосредственной близости от выводов 5 и 14 микросхемы DD1. Напряжение питания сверху ограничено максимально допустимым напряжением для микросхемного стабилизатора, я снизу разницей напряжения вход- выход этого стабилизатора плюс пять вольт. Например, для отечественного стабилизатора КР142ЕН5А эта разница должна быть не менее 2,5 вольт. Тогда минимальное напряжение питания схемы должно быть не менее 7,5 вольта. Для стабилизатора КР1158ЕН5А… Г при токе, отдаваемом в нагрузку 0,5А, падение напряжения вход-выход должно быть не менее 0,6 вольта. В этом случае минимальное напряжение питания схемы уменьшится до 5,6 вольта. С данным напряжением питания схема будет работоспособна практически от любых зарядных устройств для сотовых телефонов.

Скачать проект.
Скачать “Ismeraniy-H-and-T-in-pogreb.rar” Ismeraniy-H-and-T-in-pogreb.rar – Загружено 304 раза – 66 KB
На левом фото параметры погоды в моей келье, на правом данные о климате в подполье. Установившихся значений на кочане капусты я ждать не стал, холодновато.
Обсудить эту статью на – форуме “Радиоэлектроника, вопросы и ответы”.
Просмотров:4 714
www.kondratev-v.ru
Измеритель влажности воздуха в квартире
Опубликовал admin | Дата 25 ноября, 2014О датчике влажности и температуры DHT-11 я уже рассказывал. В статье «Электронный гигрометр для инкубатора» были использованы данные только по влажности, а данные температуры на индикатор не выводились. В этой статье я предлагаю новую схему с использованием данного датчика.
Как я уже писал, точность этого датчика не велика и для точных лабораторных измерений не достаточна, а вот для бытовых целей, для общего представления о погоде в доме, точности преобразования этого датчика вполне достаточна.
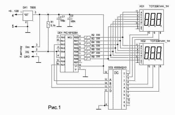
Электрическая схема бытового термометра и гигрометра показана на рисунке один.

Основой схемы является микроконтроллер PIC16F628A. Датчик DHT-11 связан с контроллером однопроводной линией, подтянутой к напряжению питания пять вольт с помощью резистора, номинал, которого может лежать в пределах от 4,7 кОм до 10 кОм. Общение микроконтроллера с датчиком происходит путем прижатия и отпускания шины данных к общему проводу. Для упрощения написания программы для приема и передачи команд, используются два вывода контроллера. RA5 — вывод 4 микросхемы DD1, работающего всегда на прием преобразованных данных о температуре и влажности и RA4 — вывод 3, сконфигурированный всегда на выход, и используемый для коммутации шины данных. Данный вывод контроллера имеет выход с открытым истоком и подтягивающий резистор R1 в данной схеме является, по сути, сопротивлением нагрузки. Для вывода информации в схеме использованы светодиодные семисегментные трехразрядные индикаторы с общим катодом. Резисторы R2… R8 — гасящие, от их номинала зависит яркость свечения сегментов индикатора. Но чем ярче будут светиться индикаторы, тем будет больше ток потребления, тем больше будет нагрузка на микросхемный стабилизатор напряжения DA1. Из-за нехватки выводов у микроконтроллера PIC16F628A, для коммутации катодов индикатора в схему введена микросхема DD2 — К555ИД10, представляющая собой дешифратор на десять выходов с открытым коллектором. Ее можно заменить микросхемой 555ИД6. Параметры на микросхему можно посмотреть на рисунке 2.

Блок питания для устройства можно применить как трансформаторный, так и безтрансформаторный с гасящим конденсатором. Схемы безтрансформаторных блоков питания можно посмотреть в статьях «Блок питания с гасящим конденсатором» и «Безтрансформаторный блок питания». Как самому определить емкость гасящего конденсатора, можно прочитать в статье «Использование конденсатора в качестве сопротивления». Все детали схемы, кроме блока питания, установлены на печатной плате, показанной на рисунке 3.


Плата эксперементальная
Если будете разрабатывать свою печатную плату, то обратите внимание на конденсатор С2. Он должен стоять, как можно ближе к выводам микроконтроллера, на которые подается питание. Если разница между входным напряжением стабилизатора DA1 и его выходным напряжением будет большая, то возможно потребуется снабдить его небольшим теплоотводом. Успехов! К.В.Ю.
Скачать схему, рисунок печатной платы и загрузочный файл можно здесь
Скачать “Измеритель влажности воздуха в квартире” Dom-T-H.rar – Загружено 1 раз – 18 KB
Обсудить эту статью на – форуме “Радиоэлектроника, вопросы и ответы”.
Просмотров:7 444
www.kondratev-v.ru
Гигрометры и термогигрометры – средства измерения влажности.
Увлажнение воздухаКомментарии (5)
Современные условия производства, хранения и транспортировки продукции совершенно любого сорта в любой отрасли производства регламентируется большим количеством международных и национальных документов.
Документы эти описывают требования, выдвигаемые в области качества к условиям оборота продукции при производстве, описывая в том числе и климатические условия выпуска продукции.
Основным таким условием является поддержание стабильного температурного и влажностного режима, то есть — сохранение значений температуры и относительной влажности по всему объему эксплуатируемого производственного помещения в определенных, довольно узких пределах (например для фармацевтических складов это температурные интервалы +2…+8 С, +8…+15 С, +15…+25 С и влажностные интервалы 0…35%, 35…65%, более 65%).
Основным средством обеспечения таких режимов является система искусственной вентиляции, а средством контроля — механические и цифровые термогигрометры.
И если с температурным контролем все более-менее ясно — изменение объема теплоносителя при изменении температуры для механических и изменение проводимости термопары при изменении температуры для электронных приборов, — то с контролем относительной влажности не все так просто.
Давайте рассмотрим основные виды измерительных средств, предназначенных для контроля относительной влажности окружающей среды, наиболее полно распространенные в нашей стране.
или механический гигрометр.
Наиболее простое и часто встречаемое средство контроля относительной влажности. Далеко не всегда может быть аттестован и поверен метрологическими службами, особенно — некоторые виды с низкой чувствительностью.
Не всегда может быть использован для контроля влажности согласно международных стандартизационных документов. Бывает нескольких основных видов.
Абсолютный (весовой) механический гигрометр состоит из разветвленной системы U-образных трубок, наполняемых гигроскопическим веществом, поглощающим из воздуха влагу.
Через такую сложную систему при помощи насоса протягивают определенное количество атмосферного воздуха, влажность которого при помощи прибора определяют.
Зная точную массу такой системы до и после осуществления измерения, а также точный объём пропущенного тестируемого воздуха, можно рассчитать и определить абсолютную влажность этого воздуха.
Для изменения уровня влажности и температуры воздуха в квартире служит такой незаменимый прибор, как кондиционер. Если вы хотите узнать, как выбрать кондиционер для квартиры, какие виды данных приборов бывают, читайте данную статью.
В том случае, если перед вами стоит вопрос выбора холодильника и вы не знаете, какой холодильник выбрать, Вам сюда, эта статья поможет Вам определиться с выбором.
Принцип действия волосного механического гигрометра основан на таком свойстве обезжиренного волоса, как возможность изменять длину при значительном изменении относительной влажности внешнего воздуха.
Это позволяет довольно точно измерять относительную влажность воздуха в пределах от 30% до 100 %. Волос натягивают на чувствительную рамку, подверженную деформации. Изменение длины такого обезжиренного волоса механически передаётся на стрелку, которая перемещается вдоль мерной шкалы.
Плёночный гигрометр — гигрометр, имеющий чувствительный элемент, выполненный из органической плёнки, растягивающейся при повышении относительной влажности и сжимающийся при ее понижении.
Возникающее при этом изменение положения фиксированного центра плёночной мембраны механически передаётся на указательную стрелку.
В зимнее время или в условиях низких температур волосной и плёночный гигрометры являются основными средствами измерения влажности воздуха.
Показания таких механических гигрометров периодически должно сравниваются с показаниями другого более точного жидкостного прибора — психрометра, который также может применяться — и применяется — для измерения относительной влажности воздуха.
Основные и, пожалуй, единственные преимущества механических комнатных гигрометров — дешевизна и простота их эксплуатации. Основной недостаток — невысокая точность показателей, что, в некоторых случаях, может быть фатальным.

«Рабочая лошадка» контроля относительной влажности в промышленности. Простой в устройстве и эксплуатации, обладающий высокой точности при правильном использовании, дешевый по цене — таковы положительные стороны этого прибора.
Такой прибор представляет собой психрометр, состоящий из двух спиртовых термометров, один из которых — обычный сухой спиртовой прибор, а второй — особенный, имеющий устройство увлажнения.
Термометры эти имеют градуировку с основной ценой деления 0,1 градуса Цельсия. Термодатчик второго, влажного термометра обернут материей, находящейся погруженной в сосуд с жидкостью (водой). Под действием испарения влаги увлажнённый датчик, завернутый в материю, охлаждается.
При определении относительной влажности при этом снимают показания, даваемые сухим и влажным термометрами, а затем используя психрометрическую таблицу, расположенную на корпусе прибора, по разнице этих показаний вычисляют значение текущей относительной влажности воздуха.
Ключевым моментом работы с показаниями психрометра является также тот факт, что на работу прибора влияет в большой мере текущее атмосферное давление, следовательно для получения точных показаний, в случае существенного отклонения значения атмосферного давления от нормального, в результаты, рассчитанные при помощи психрометрической таблицы, вносят поправку в ту или иную сторону.
Гигрометр ВИТ-1 без проблем переповеряется любой отечественной службой метрологической поверки. Стандартный межповерочный интервал для него — 2 года.
При производстве поверка прибора осуществляется заводом — изготовителем, а следовательно, прибор в повторной поверке перед началом эксплуатации не нуждается.

Представляет собой все тот же прибор ВИТ-1, но с увеличенной ценой деления — 0,2 градуса Цельсия. Предназначен для измерения относительной влажности при более широком диапазоне температур воздуха.
Отличие есть и в величине межповерочного интервала, который для прибора ВИТ-2 составляет уже 3 года.
Наиболее современный и точный вид гигрометра. Рекомендуется к применению большинством международных нормативных документов по обеспечению качества.
Обладает важной особенностью, характерной для всех электронных измерительных приборов — может фиксировать факт выхода значения измеряемого параметра за установленные пределы его поддержания и, если оборудован таймером и достаточным объемом внутренней памяти, в принципе всю историю изменения измеряемого параметра за определенный срок.
Существуют следующие основные виды электронных гигрометров:
Электролитический — содержит в качестве чувствительного элемента пластинку, выполненную из изоляционного материала, покрытую гигроскопическим слоем электролита, а поверх — связующего материала.
При изменении относительной влажности воздуха изменяется концентрация использованного электролита, а следовательно, и его электрическое сопротивление; это изменение и изменяется.
Недостатком такого гигрометра является зависимость его показаний от внешней температуры.
Для лечения легочных заболеваний в домашних условиях широко используется такой прибор, как небулайзер. Вся информация о том, как выбрать небулайзер, какие виды приборов существуют, как подобрать нужный именно Вам прибор.
Что такое ароматерапия? Читайте об этом здесь, наиболее интересная, полная, важная и актуальная информация. Сохраним наше здоровье и здоровье наших близких!
Что такое компрессор? ОБ этом можно узнать в следующей статье:
http://about-air.ru/vozduh_i_zdorovie/osushenie-vozduha/osushitel-vozduha-dlya-kompressora.html, узнайте новое!
Керамический, действие которого определяется зависимостью электрического сопротивления твёрдой керамической массы от относительной влажности атмосферного воздуха.
конденсационный — определяет точку росы по установленной температуре металлического зеркала в момент явного появления на нём малейших следов воды, которая конденсируется из окружающего воздуха.
Такой гигрометр состоит из специального устройства, предназначенного для охлаждения зеркальца, чувствительного устройства, фиксирующего момент появления конденсата, и чувствительного термометра, измеряющего текущую температуру зеркальца.
В основном для охлаждения зеркальца используют полупроводниковые элементы, принцип работы которых основан на эффекте Пельтье, а текущая температура зеркала может быть измерена вмонтированным в его корпус проволочным резистором или полупроводниковым термометром.
Электролитический гигрометр с подогревом — гигрометры, принцип действия которых основан на способе измерения точки выпадения росы над насыщенным раствором соли (обычно это хлористый литий), которая для данной соли и температуры находится в известной измеряющим зависимости от относительной влажности.
Чувствительный элемент такого прибора состоит из термосопротивления, на внешний корпус которого надевается чехол из стекловолокна, пропитанный солевым раствором, и двух платиновых электродов из проволоки, наматываемых по поверхности чехла, на которые затем подают переменное напряжение.
Помимо влажности воздуха для здоровья очень важен показатель плотности воздуха. Как его вычислить? Вам поможет формула плотности воздуха, узнайте, чему равна плотность воздуха в Вашем доме!
Продолжая тему здоровья. Бывает, что нам становится тяжело дышать. Какие этому сопутствуют симптомы, что они означают, что делать? Если Вас волнует этот вопрос, читайте эту статью, берегите здоровье, его не купишь ни за какие деньги!

Цены гигрометров обычно колеблются в зависимости от принципа его работы, наличия/отсутствия предэксплуатационной метрологической поверки, места их производства, а также количества покупаемых приборов.
Оптовое приобретение китайских приборов. например — невероятно экономичное решение, которое, однако, сопровождается возможными проблемами, связанными с низким качеством таких приборов.
Существует множество он-лайн интернет-магазинов, продающих измерительные приборы. Такие магазины предоставляют наибольший выбор интересующих Вас измерительных приборов.
Другой вариант — приобретение гигрометров в службах метрологической поверки, которые тоже очень часто занимаются реализацией измерительных приборов, причем эти приборы, что немаловажно, уже заранее прошли поверку на этом предприятии.
Удачной Вам покупки.
Краткое описание особенностей использования гигрометра ВИТ-1
about-air.ru
Измеритель температуры воздуха и относительной влажности

Измерители влажности и температуры воздуха предназначены для контроля воздушной среды за пределами сооружений, микроклимата помещений и целых зданий.
Измерители температуры воздуха применяются для работы в промышленном производстве, лабораторных и полевых тестах, бытовых условиях.
Виды измерителей температуры и влажности воздуха
Для решения различных задач используются разные виды измерителей показателей воздуха. Исходя из заданных условий работы, могут применяться устройства для работы с температурой или показателями влажности воздушной смеси отдельно, либо комплексные измерители температуры и влажности среды.
Для отслеживания температуры могут применяться термометры, индикаторы температуры, термоконтроллеры и терморегуляторы со встроенными или внешними датчиками температуры. Индикаторы, контроллеры и регуляторы также могут применяться для контроля и управления показателями влажности воздуха при условии возможности подключения датчика влажности.
Отдельно используются измерители-регистраторы температуры воздуха и влажности среды, позволяющие не только проводить измерения, но и сохранять собранные данные в памяти устройства для дальнейшего изучения и обработки.
Возможности применения измерителя температуры воздуха
Измерители температуры окружающего воздуха и его относительной влажности широко применяются во многих отраслях и сферах:
- для контроля условий производства в различных отраслях: металлургии, нефтегазовой отрасли, химической промышленности, пищевом производстве,
- для контроля условий хранения и размещения в рамках отдельных предприятий, складских комплексов, торговых помещений,
- для контроля процессов транспортировки товаров и материалов,
- для контроля условий труда персонала,
- в сфере ЖКХ,
- для лабораторных и полевых тестов.
Измерители температуры и влажности воздуха: назначение оборудования
Различные виды оборудования для контроля состояния воздуха могут применяться для решения разнообразных задач:
- измерение текущего уровня температуры и влажности окружающего воздуха,
- удаленное наблюдение за параметрами,
- регистрация параметров в памяти прибора,
- регулирование уровня температуры воздуха и его влажности,
- отслеживание изменений с течением времени и анализ влияния различных факторов на состояние воздушной смеси,
- контроль и поддержание соблюдения условий производства, хранения и транспортировки, лабораторных тестов,
- контроль и поддержание микроклимата зданий и помещений.
Преимущества работы с измерителями температуры и относительной влажности воздушной среды
Современные измерители температуры воздуха отличаются высоким качеством изготовления, позволяющим применять устройства даже в суровых промышленных условиях. Вместе с широким диапазоном измерения эти преимущества гарантируют возможность применения измерителей температуры воздуха практически во всех отраслях промышленности.
Устройства, предназначенные для одновременного измерения и регулирования, позволяют заменить несколько приборов одним в условиях ограниченности ресурсов или пространства. Использование измерителей температуры и влажности воздуха позволяет гарантировать обеспечение необходимых условий труда рабочего персонала и служащих, условия производства, хранения и перевозки сырья, материалов и готовых продуктов.
Возможные недостатки приборов для измерения температуры воздуха
Каждый конкретный вариант исполнения измерителей температуры воздуха имеет различные ограничения по условиям эксплуатации. Большинство приборов не рекомендуется использовать при особо низких температурах, а также размещать в непосредственной близости с нагревательными элементами. Также приборы не должны подвергаться замораживанию.
Измерители относительной влажности и температуры зависят от наличия конденсата в рабочей среде. При высоких показателях конденсата устройство может давать искаженные результаты измерения. Повышенная влажность и конденсат в рабочем помещении могут привести к снижению срока службы.
Различные датчики, используемые в работе измерителей, имеют ограничения по диапазону контроля параметров. Необходимо тщательно изучать технические характеристики и требования к условиям использования при выборе конкретного варианта для работы.
Принцип работы измерителей температуры и влажности воздуха
Основной принцип работы одинаков для всех видов устройств. Датчики температуры и влажности собирают информацию о текущем состоянии воздуха и передают сигнал на измеритель. В зависимости от особенностей конкретного вида оборудования текущий уровень температуры может сохраняться в памяти устройства, отображаться на дисплее или шкале прибора, а также использоваться для формирования сигнала управления исполнительным оборудованием для дальнейшего управления производственными процессами.
Различные виды устройств, при этом, могут иметь разные схемы работы. Например, устройства для удаленного контроля предполагают размещение датчика температуры или влажности отдельно от самого прибора. Датчики могут быть соединены проводом или иметь беспроводную связь с основным прибором.
Фактически измерители влажности и температуры воздуха являются контактными видами оборудования, так как датчик должен быть размещен непосредственно в контролируемой воздушной среде.
rusautomation.ru
Приборы для измерения влажности воздуха
Поиск ЛекцийДля измерения влажности применяется психрометры, которые состоят из двух ртутных термометров: сухого и влажного (рис.25). Резервуар влажного термометра окутан марлей или другой гигроскопической материей, конец которой опущен в воду. За счет испарения влаги температура на влажном термометре понижается. Отличие в показаниях влажного и сухого термометров тем больше чем меньше относительная влажность и обусловлено отводом тепла от влажного термометра за счет испарения влаги. Только при относительной влажности равной 100% показания термометров совпадают.
Относительную влажность определяют по выведенным формулам пересчета или номограмме, зная показания холодного и влажного термометров.
Рис 25. Приборы для измерения параметров микроклимата

а — термограф: 1.– барабан; 2 –указатель; 3 — пластина биметаллическая;
б — психрометр Августа: 1 — «сухой» термометр; 2 — «влажный» термометр; 3 — марля; 4 — кювета с водой; в — аспирационный психрометр;
г — чашечный анемометр.
Для прямого определения относительной влажности используют гигрометры, принцип работы которых основан на способности человеческого волоса, изменять свою длину во влажном и сухом воздухе. Для регистрации изменения относительной влажности во времени используют самопишущие приборы и гигрографы.
Термоанемометр: Термогигрометр ТКА-ПКМ
Термогигрометр ТКА-ПКМ – Прибор предназначен для измерения относительной влажности воздуха (RH, %) и температуры воздуха (Т, °С), а также отображения вычисляемых в режиме реального времени параметров: температуры влажного термометра (tвл, °С) и температуры точки росы (tтр, °С).
Рисунок 28 -метеоскоп

Измеритель «Метеоскоп-М» совмещает свойства высокоточных профессиональных регистраторов метеопараметров с компактностью и простотой обслуживания бытовых приборов. Предназначен для проведения измерений параметров воздушной среды (температуры, относительной влажности, давления, скорости движения воздуха) при гигиенической оценке микроклимата всех видов производственных и жилых помещений. Позволяет проводить аттестацию рабочих мест на промышленных предприятиях, офисах и общественных учреждениях, а также контроль систем вентиляции и кондиционирования воздуха на промышленных объектах.
Измеритель параметров микроклимата «Метеоскоп» принадлежит к поколению новых приборов, которые отличает мобильность и универсальность. Это портативный аппарат с возможностями стационарного. Прибор специализирован для проведения комплексного экологического мониторинга среды в жилых и производственных помещениях. Прибор прост в управлении за счет малого числа функциональных клавиш. Измеритель снабжен жидкокристаллическим дисплеем, встроенными часами и также общераспространенным портом RS-232, который дополняется комплектом программного обеспечения «НТМ-Метео» для автоматизации записи и анализа данных на персональном компьютере. Применение прогрессивных технических решений, конструктивных элементов, в частности быстродействующего микроконтроллера, пленочной клавиатуры, обуславливает высокую надежность прибора.
Никакая другая марка аналогичных отечественных измерителей не приближается по комплексу рабочих параметров и функциональных возможностей к «Метеоскопу»:
- измерение скорости воздушного потока
- измерение атмосферного давления
- измерение температуры и влажности воздуха
Замер скорости движения воздуха проводят различными видами анемометров: крыльчатыми, типа АСО-3 (скорость потока от 0,3 до 0,5 м/с), чашечными, типа МС-13 и индукционными, типа АРН-49 (скорость в пределах 1-20 м/с), термоанемометрами и кататермометрами (скорость не больше 0,5м/с). Термоанемометры позволяют измерять незначительные колебания потоков воздуха и температуры по объему помещения.
Параметры микроклимата оцениваются:
-как оптимальные, если средние значения и результаты не менее 2/3 измерений находятся в пределах оптимальных величин;
-как допустимые, если средние значения и результаты не менее 2/3 измерений находятся в пределах допустимых величин;
-как несоответствующие, если средние значения и результаты более 2/3 измерений не соответствуют допустимым.
Комплексную оценку состояния микроклимата при изменяющихся одновременно параметрах производят по величине эквивалентно-эффективной температуры. Эквивалентно-эффективная температура – это такая температура воздуха, которая соответствует определенному сочетанию трех параметров микроклимата. Их сочетание может создавать комфортные или дискомфортные микроклиматические условия, которые ведут к перегреву или переохлаждению организма. Оценить метеорологические условия можно по температуре сухого и влажного термометров и по скорости движения воздуха, используя номограмму для рабочей зоны производственных помещений.
В настоящее время установлены диапазоны возможных сочетаний температуры и скорости движения воздуха в производственных помещениях в теплый период для различной производственной одежды. При повышении температуры воздуха от26 до 280С скорость воздуха должна увеличиться от 0,5 до 3м/с. Но всегда можно подобрать скорость движения воздуха и его относительную влажность, когда сочетание трех параметров составляет комфортные условия при данной температуре.
Предметом дальнейших исследований по созданию комфортных микроклиматических условий – определение верхних и нижних пределов значений параметров микроклимата, что позволит обеспечить не только безопасность труда, но и сэкономить энергоресурсы на отопление, вентиляцию и кондиционирование воздуха рабочих зон.
Исследование воды
Гидросфера служит естественным аккумулятором большинства загрязняющих веществ, поступающих в атмосферу или литосферу. Это связано с большой растворяющей способностью воды, с круговоротом воды в природе, а также с тем, что водоемы являются конечным пунктом на пути движения различных сточных вод.
Присутствие загрязняющих веществ в водной среде оказывает влияние на жизнедеятельность отдельных живых организмов и на функционирование всей водной системы.
Природная вода является неоднородной средой, в ней присутствуют взвешенные частицы и микро пузырьки газа. Размер частиц различен. Оседающие частицы состоят из минерального ядра и органического слоя. Толща воды, кроме того, наполнена множеством микроорганизмов, находящихся в равновесии с окружающей средой.
Воздействие загрязнителей на природные водоемы различно. Тепловое загрязнение вызывает интенсификацию процессов жизнедеятельности водных организмов, что нарушает равновесие экосистемы. Минеральные соли опасны для одноклеточных организмов, обменивающихся с внешней средой осмотически. Взвешенные частицы уменьшают прозрачность воды, снижают фотосинтез водных растений и аэрацию водной среды, способствуют заилению дна в зонах с малой скоростью течения, оказывают неблагоприятное воздействие на жизнедеятельность водных организмов-фильтраторов. На взвешенных частицах могут сорбироваться различные загрязняющие вещества; оседая на дно, они могут стать источником вторичного загрязнения воды.
Загрязнение вод тяжелыми металлами не только оказывает экологический вред, но и наносит значительный экономический ущерб. Источниками загрязнения воды тяжелыми металлами служат гальванические цехи, предприятия горнодобывающей промышленности, черной и цветной металлургии. При загрязнении воды нефтепродуктами на поверхности образуется пленка, препятствующая газообмену воды с атмосферой. В ней, а также в эмульсии тяжелых фракций накапливаются другие загрязнители, кроме того, сами нефтепродукты аккумулируются в водных организмах.
Основными источниками загрязнения вод нефтепродуктами является водный транспорт и поверхностный сток с городских территорий. Загрязнение водной среды биогенными элементами ведет к эвтрофированию водоемов.
Органические вещества-красители, фенолы, ПАВ, диоксины, пестициды и др. создают опасность возникновения токсикологической ситуации в водоеме. Особенно токсичными и устойчивыми в окружающей среде являются диоксины. Это две группы хлорсодержащих органических соединений относящихся к дибензодиоксинам и дибензофуранам. Один из них -2, 3, 7, 8-тетрахлордибензодиоксин (2, 3, 7, 8-ТХДД) является самым токсичным соединением, известным науке. Токсическое действие различных диоксинов проявляется одинаково, но отличается по интенсивности. Диоксины накапливаются в окружающей среде, и их концентрация растет.
Изучение загрязнения воды имеет свои особенности. Как и при определении атмосферных загрязнений приходится определять малые количества веществ непостоянного состава в присутствии других загрязнителей. Отличие в том, что в незагрязненной воде постоянно содержатся органические и неорганические вещества сложного строения, кроме того, в воде протекают химические и фотохимические процессы, приводящие к изменению состава химических веществ. В химических превращениях большое участие принимают биологические объекты животного и растительного происхождения, Поэтому содержание кислорода является одним из важнейших показателей строения водной системы.
Особое значение для правильной оценки загрязнения воды, и в том числе для отбора проб, имеет распределение веществ, которое зависит от многих локальных условий: скорости и характера движения воды, осадков, физико-химических свойств загрязняющих веществ, их устойчивости в воде и т. д. Обычно устанавливается динамическое равновесие между ними. Если условно рассечь водную массу вертикальной плоскостью, можно выделить места различной реакционной способности: поверхностную пленку, основную водную массу и донный осадок.
Донный осадок и поверхностная пленка являются зонами концентрирования загрязняющих веществ. На дно оседают нерастворимые в воде соединения, а осадок является хорошим сорбентом для многих веществ.
В воду могут попадать не разлагаемые загрязняющие вещества. Но они способны реагировать с другими химическими соединениями, образуя устойчивые конечные продукты, которые накапливаются в биологических объектах (планктоне, рыбах и т.д.) и через пищевую цепь попадают в организм человека.
Вода, используемая человеком, имеет физиологическое, санитарно-гигиеническое, хозяйственное и эпидемическое значение. Употребление недоброкачественной воды, может быть причиной возникновения инфекционных болезней, геоэндемических заболеваний, заболеваний, связанных с загрязнением водоемов химическими веществами.
В основу гигиенического нормирования водопроводной воды положены два стандарта: СТ РК ГОСТ Р 51593-2003 «ВОДА ПИТЬЕВАЯ. Отбор проб». и СТ РК ГОСТР 51232- Вода питьевая. Общие требования к организации и методам контроля качества и Санитарные правила
«Санитарно-эпидемиологические требования к водоисточникам, местам водозабора для хозяйственно-питьевых целей, хозяйственно-питьевому водоснабжению и местам культурно-бытового водопользования и безопасности водных объектов» № 104 от 18.01.2012
poisk-ru.ru
Измеритель влажности и температуры — МегаЛекции
ИВТМ-7

Назначение
Измеритель влажности и температуры ИВТМ-7 (модификации ИВТМ-7 К и ИВТМ КМ) предназначен для измерения относительной влажности, температуры воздуха, а также других неагрессивных газовых сред и определения других температуровлажностных параметров воздуха (температура, влажность термометра, определение теплового потока).
Область применения
Прибор применяется для контроля указанных выше параметров воздуха в различных отраслях народного хозяйства (промышленность сельское хозяйство, гидрометеорология, медицина), в быту для оперативного контроля параметров микроклимата, при осуществлении государственного санитарно-эпидемиологического надзора.
Устройство и принцип работы прибора
В качестве чувствительного элемента измерителя температуры используется пленочный терморезистор, выполненный из никеля. Чувствительным элементом измерителя относительной влажности является емкостный датчик с изменяющейся диэлектрической проницаемостью.
Принцип работы прибора основан на преобразовании емкости датчика влажности и сопротивления датчика температуры в частоту с дальнейшей обработкой ее с помощью микроконтроллера. Микроконтроллер обрабатывает информацию и отображает информацию на жидкокристаллическом индикаторе и одновременно выдает с помощью интерфейса RS-232 на компьютер.
В приборе применяется микроконтроллер фирмы Microchip.2.4. В приборе предусмотрена поддержка двух пороговых значений для относительной влажности. В качестве порогов задается верхнее и нижнее допустимые значения. При попадании измеренного значения между этими значениями прибор не выдает никакой дополнительной сигнализации. При выходе температуры за любой из порогов прибор выдает звуковой сигнал и на индикаторе появляется мигающий символ.
Прибор поддерживает функцию автоматического отключения питания через заданное время после включения. Возможные значения выбираются из ряда: 5, 10, 15, 20, 25, 30 минут, «постоянно включено», «выключено».
В приборе предусмотрена функция фиксации некоторого измеренного значения. Зафиксированные значения температуры и относительной влажности сохраняются в памяти прибора и позже могут быть просмотрены в любое время.
Порядок работы
Режимы работы прибора даны в таблице.
Таблица
Режимы работы прибора ИВТМ-7
| Название режима | Символ(ы) на ЖКИ | Назначение режима | Способ перехода из режима измерения | Способ ручного возврата в Режим измерения |
| Режим фиксации | Влажность | Вывод на ЖКИ ранее зафиксированной в памяти прибора влажности | Кнопка F2 | Кнопка F2 – пять нажатий |
| Режим задания времени отключения | Просмотр и изменение времени автоматического отключения прибора | Кнопка F2 – два нажатия | Кнопка F2 – четыре нажатия | |
| Тест питания | Р53 | Проверка напряжения батарей и степени их заряда | Кнопка F2 – три нажатия | Кнопка F2 – три нажатия |
| Режим порогов | Просмотр значений, установленных для Порога 1 и Порога 2 | Кнопка F2 – четыре нажатия | Кнопка F2 | |
| Режим тенеиска- теля | Временное (до отключения питания) смещение показаний прибора в нулевые (коррекция нуля) | Нажатие и Удержание кнопки F2 в течение двух с | Кнопка F1 – для включения коррекции, кнопка F2 – для выключения коррекции | |
| Служебный режим | Задание номера ID прибора, просмотр версий программного обеспечения | Нажатие и отпускание кнопки F2, затем повторное нажатие и удержание кнопки F2 в течение 2 с | Кнопка F2 |
После включения прибор переходит в режим измерения. Кнопкой F1 производится переключение температуры и влажности, кнопкой F2 прибор переводится в дополнительные режимы: режим фиксации, режимы ввода порогов и времени отключения.
Отличительная особенность работы прибора в дополнительных режимах состоит в чередовании функций кнопок F1 и F2. Если какой-либо этап (режим) выбирается (перевыбирается) кнопкой F1, то для выхода в режим используется кнопка F2 (и наоборот).
ИЗМЕРИТЕЛЬ ВЛАЖНОСТИ И ТЕМПЕРАТУРЫ
ТКА–ТВ

Назначение
Прибор предназначен для измерения параметров относительной влажности и температуры воздуха внутри помещений.
Рекомендуемые страницы:
Воспользуйтесь поиском по сайту:
megalektsii.ru