Рекомендации по установке электросчетчика

Установка счетчика электроэнергии обязательна. Владелец дома должен сделать это сам и вызвать представителей энергокомпании для проверки счетчика. В случае невыполнения этого требования, потребитель несет административную ответственность.
Требования к установке электросчетчика
Для монтажа электросчетчика выбирают место в хозяйственном блоке, холле, прихожей или предбаннике. Возможна установка счетчика снаружи, на фасадной стене здания, бетонном столбе или специальной опоре на приусадебном участке.
Нормативы требуют, чтобы расстояние от уровня пола или грунта было 0,8-1,7 м. На практике лучше «подняться» на высоту не менее 1-1,2 м. Так прибор будет на безопасном расстоянии от детей, но доступным для проверки и возможного технического обслуживания.

Подключение электросчетчика
Входную электропроводку подключают к устройству защитного отключения (УЗО), после чего подводят непосредственно к счетчику. В обязательном порядке делают заземление. В случае возникновения перекоса фаз или короткого замыкания это позволит спасти домашнюю электротехнику.
Читайте также: Как сократить потребление электроэнергии: выбор и установка правильного счетчика
После счетчика последовательно подключают щиток с автоматами, от которых осуществляется разводка электроэнергии по дому. После выполнения всех коммутаций производят пробное включение системы.

Пломбировка электросчетчика
Важная деталь – право опломбировать или распломбировать прибор учета электроэнергии имеют только сотрудники энергоподающей компании. Там же необходимо согласовывать возможность переноса счетчика в другое помещение или сооружение.
После замены, переноса или ремонта электромонтер выполняет техническую поверку электросчетчика и опломбирует его.
Как установить электросчетчик в частном доме
Все жизненно важные составляющие комфорта в частном доме связаны с наличием нормального обеспечения электроэнергией. Без нее – никуда. Но получить доступ к линии электроснабжения можно после выполнения необходимых бумажных формальностей и требований, хорошо известных Правил устройства электроустановок в 7-й редакции. Для того чтобы разобраться, как правильно подключить электросчетчик в частном доме, нам нужна глава 7.1, в которой сжато конкретизированы общие требования к электроснабжению жилого фонда, в том числе частных домов.

Иногда возникает проблема – как лучше электросчетчик подключить в частном доме. Но в любом случае, при строительстве нового, а также капитальном ремонте и перестройке старого дома придется потратить немало усилий и времени на борьбу с требованиями РЭС.
До начала работ решите для себя следующие вопросы:
- Какая мощность и, соответственно, напряжение сети предполагается для дома;
- Выбрать место, где предполагается установка электросчетчика;
- Выбрать модель электросчетчика, автомата защиты и пакетных выключателей.
Шаг первый – расчет будущего потребления электроэнергии
В отличие от квартиры, количество электроэнергии, потребляемое в частном доме, может в различные периоды времени вдвое или даже втрое превышать пиковую величину на индивидуальном электросчетчике в многоквартирном доме. Причин может быть масса. Например, для частного дома не редкость – использование целого перечня вспомогательных механизмов и установок, от электрокотла обогрева или системы кондиционирования частного дома до станков, насосов, банных электронагревателей.

Для квартиры в многоэтажке нагрузка на электросчетчик редко превысит 2-2,5кВт. Поэтому используется однофазная сеть и, как следствие, простой в подключении электросчетчик. Пиковые нагрузки в частном доме могут достигать 10кВт, что возможно обеспечить только трехфазным электропитанием. Соответственно, электросчетчик тоже нужен трехфазный.
Разделить нагрузку между несколькими вводами и счетчиками невозможно, пунктом 7.1.22 вышеупомянутых правил определено установку одного электросчетчика для учета потребленной электроэнергии на входе в частный дом или жилье.
Для подвода трехфазной сети и установки соответствующего счетчика вам понадобится выполнить проект электропроводки частного дома с расчетом нагрузки и характеристиками потребителей, проводки, расположением контура заземления. После этого будет согласована максимальная потребляемая мощность и технические условия на электросчетчик, устанавливаемый в частном домовладении. Очень часто представители РЭС пытаются подсунуть клиенту конкретную модель электросчетчика для частного домовладения, но это уже чистой воды самоуправство.
Шаг второй – выбираем место установки электросчетчика
Добиться внятного ответа на свои вопросы об установке электросчетчика, находящегося в частном доме, от представителей РЭС крайне сложно. Чтобы выполнить установку по правилам подключения электросчетчика в частном доме, зачастую люди прибегают к услугам адвокатов или практикующих юристов. Подключение частного дома к электросети можно будет проводить только после заключения письменного договора о поставке электроэнергии.

Установка электросчетчика в частном доме на улице
Одной из наиболее распространенных проблем является требование РЭС установить электросчетчик на внешней стороне дома. Для трехфазных счетчиков требования еще жестче, их, как правило, требуют выносить от стен частного дома в отдельный бокс или шкаф. Таким образом, у контролеров энергослужбы появляется возможность, независимо от пребывания хозяев в доме, контролировать показания электросчетчика и потребление энергии в частном домовладении.
Зачастую владельцы строящихся или ремонтирующихся частных домов указывают и согласовывают место установки, которое впоследствии будет внутренней стенкой мансарды или теплой веранды частного дома. Такой хитростью обеспечивается защита от погоды и посягательств вандалов, способных вывести электросчетчик из строя. В упомянутых правилах нет требований об установке счетчика снаружи дома, но есть условия защиты от воздействия влаги и мороза.
Правила установки электросчетчика в частном доме
Среди основных требований к установке электросчетчика можно отметить следующие, наиболее важные:
- Установка электросчетчика в комплекте с автоматом защиты от сверхтоков, короткого замыкания и пакетными выключателями, позволяющими полностью разорвать физический контакт с входными цепями. Элементы установки собираются в одном корпусе, оснащенном застекленным окошком для считывания показаний электросчетчика. Отделение для счетчика должно быть оснащено «ушками» для наложения пломбы контролера.
- Схема подключения электросчетчика в частном доме также должна предусматривать возможность отключить сам счетчик от внешнего напряжения. Как правило, используют внешнюю контактную муфту или дополнительный пакетный выключатель.
- Установка электросчетчика в электрическом щите осуществляется на вертикальной поверхности стены частного дома или специальной стойке, на высоте не более 1,7 метра, в положении, позволяющем беспрепятственно считывать показания индикатора.
- Счетчик, устанавливаемый в частном домовладении, должен быть удален от линий газопровода и водоснабжения не менее чем на один метр.
После заключения договора выполняется схема подключения электросчетчика однофазного в частном доме, проект, в котором фиксируется место, где электросчетчик будет установлен в частном доме, показывается наличие необходимых сервисных устройств и подведение электропроводки от линии электропередачи. Перед началом монтажных работ схема подлежит согласованию в РЭС.

При согласовании схемы стоит дополнительно уточнить, какие работы будут выполнены работниками РЭС, и как будет осуществляться подведение питающих цепей к счетчику при установке.
Самым распространенным способом установки электросчетчика является помещение его и сервисных автоматов в один металлический монтажный ящик. Короб ящика обычно хорошо защищен от воздействия атмосферных осадков и достаточно прочен, чтобы противостоять возможным попыткам его взлома или порчи.
Исключением является частный дом, используемый сезонно в качестве временного проживания, например, дачный коттедж. Если нет охраны, счетчик необходимо снимать на зимний период по согласованию с РЭС, либо установку прибора сразу выполнять в защищенном месте частного дома.
Сборка электрического щита не представляет особых трудностей. Как правило, в самой конструкции щитка уже предусмотрены ячейки и крепления для установки электросчетчика и коммутирующих устройств пакетного выключателя и автомата защиты. В обязательном порядке на расстоянии не более 1метра от фундамента дома выполняется контур заземления. Сваренный из уголка или арматуры каркас заземления закапывается на глубину не менее полуметра с металлической контактной шиной, которую подключают к «земле» монтажного щита.
Схема подключения проводки при установке однофазного счетчика проста, необходимо правильно подсоединить к выходным клеммам щита и не перепутать два провода – «ноль» и «фазу». Подключение проводки от линий электропередач выполнят специалисты РЭС после проверки правильности выполненных вами работ. Сам факт подключения будет оплачиваемой услугой, поэтому всегда составляется акт о подключении частного домовладения к электрическим сетям.
Сложнее будет в случае установки трехфазного счетчика. Если у вас нет достаточного опыта работы с трехфазными линиями, воспользуйтесь услугами частной фирмы, имеющей лицензию на проведение работ монтажа проводки, розеток контуров заземления и установки счетчика и соответствующего защитного оборудования.
Шаг третий – какой электросчетчик лучше
Чтобы решить, какой электросчетчик лучше поставить в частный дом, стоит сначала определиться, где и как он будет использоваться. Современные конструкции счетчиков хорошо защищены и достаточно надежны. На рынке в настоящее время доминируют три основных производителя:
- ОАО «Концерн Энергомера», расположенный в Ставропольском крае;
- Холдинг «Инкотекс», Москва;
- Московский завод измерительных приборов.

Первый производитель имеет долю рынка в 30-35% всех продаваемых в РФ однофазных бытовых электросчетчиков, качество продукции соответствует цене. Остальные чуть скромнее, но тоже имеют немалые заделы именно в производстве электронных счетчиков электроэнергии. Счетчики торговой марки «Меркурий», продукция ХК «Инкотекс», декларируются в срок безотказной работы в 250тыс. часов в частном домовладении, тогда как гарантии продукции конкурентов имеют срок службы на 100-110тыс. часов меньше.
Перед тем как сделать выбор модели счетчика и места его установки в частном домостроении, стоит помнить, что жидкокристаллические индикаторы, наиболее часто применяемые в счетчиках, очень плохо переносят низкие температуры, при температурах ниже минус 5оС прочитать показания невозможно.
xn--b1aafeqcbxpcbxdjdebh.xn--p1ai
Установка электросчетчика | Заметки электрика

Добрый день, дорогие гости и постоянные читатели сайта «Заметки электрика».
Сегодня я Вам расскажу как правильно произвести установку и монтаж электросчетчика.
Перед тем, как к этому приступать рекомендую прочитать мои следующие статьи: схема подключения счетчика прямого включения в сеть, подключение счетчика через трансформаторы тока, как выбрать электросчетчик, как правильно приобрести электросчетчик.
Установка электросчетчика производится по требованиям нормативного документа ПУЭ 7 издания, согласно раздела про учет электроэнергии.
1. Помещение
Счетчики электрической энергии необходимо устанавливать в сухих помещениях и они должны быть расположены в удобных и доступных местах для их обслуживания. Температура в таких помещениях не должны быть ниже 0°С и выше 40°С .
Если температурный режим трудно организовать, то необходимо предусмотреть утепление в зимний период, например, установить его в утепленный шкаф с возможностью подогрева.
2. Место установки
Электросчетчики разрешено устанавливать в следующих местах:
- на стене
- на панелях и щитах учета
- в шкафах
- в релейных отсеках КРУ (комплектное распределительное устройство)
3. Крепление
Счетчики электроэнергии допускается крепить:
- на металлических щитках
- в пластиковых щитках и боксах (пример установки счетчика в квартирном электрическом щитке)
- на деревянных щитках
4. Высота
Монтаж и установка электросчетчиков производится на высоте от 800-1700 мм от уровня пола, а также желательно на уровне глаз человека — для удобства обслуживания и снятия его показаний. Это весомое доказательство тому, что счетчики ЗАПРЕЩЕНО устанавливать на уличных столбах (опорах) на недосягаемой высоте. Об этом подробнее здесь.

5. Угол наклона
Индукционные счетчики электроэнергии необходимо устанавливать с углом наклона не более 1°С. Если это условие не соблюдать, то возникнет дополнительная погрешность учета электроэнергии.
6. Габаритные размеры шкафов, ниш и щитков
Самое главное условие по габаритным размерам шкафов, ниш и щитков для установки счетчиков электрической энергии:
7. Подключение проводов к электросчетчику
При подключении проводов к счетчику электроэнергии необходимо соблюдать следующие условия:
8. Коммутационные аппараты
Для быстрой и безопасной замены электросчетчиков напряжением до 0,4 (кВ) необходимо установить перед ними коммутационный аппарат (автоматический выключатель, предохранители) на расстоянии не более 10 метров. Более подробно об этом читайте здесь.Чаще всего, энергоснабжающая организация видит способ хищения или обмана в установке автоматического выключателя перед счетчиком. Поэтому рекомендую заранее поместить автоматический выключатель в специальный пластиковый бокс, который имеет «ушко» для его пломбирования.


P.S. Обязательно прочитайте мою статью о проблемах с энергоснабжающей организацией — Электросчетчик на улице. Законно ли?
Если статья была Вам полезна, то поделитесь ей со своими друзьями:
zametkielectrika.ru
Установка электросчетчика правила | Электроцех — гильдия электриков

В этой статье мы рассмотрим основные правила установки электросчетчиков. Температурные режимы, шкафы и щитки, высота установки электросчетчиков, а также электропроводка к эл счетчикам и другие правила и требования.
На фото показан электронный счетчик «Энергомера».
Устанавливать электросчетчики необходимо в легко доступных для обслуживания, в достаточно свободном и не стесненном для работы месте с температурой в зимнее время не ниже 0°С и где по производственным условиям температура часто не превышает +40°С.
Счетчики электроэнергии общепромышленного исполнения разрешается устанавливать в сухих помещениях, а также в помещениях без агрессивной среды.
По правилам допускается установка электрических счетчиков в не отапливаемых помещениях и коридорах распределительных устройств электростанций и подстанций, а также в шкафах наружной установки на улице на столбе (опоре). При этом должно быть предусмотрено стационарное их утепление на зимнее время. Это можно обеспечить установкой счетчика электроэнергии в утепляющих шкафах, колпаков с подогревом воздуха внутри них электрической лампой или нагревательным элементом.
К стати сейчас можно купить специальные подогреватели ПЭС1 и ПЭС2 с термовыключателем (на картинке), для обеспечения положительной температуры, но не выше +20°С. Электронный счетчик «Энергомера» установлен на улице и в зимнее время не требует подогрева, ЖК индикатор нормально показывает и при низких температурах до-50°С. Сам проверял даже в сильные морозы ЖК индикатор прекрасно показывает.
Электросчетчики, предназначенные для учета электроэнергии, вырабатываемой генераторами электростанций, следует устанавливать в помещениях со средней температурой окружающего воздуха +15+25°С.. При отсутствии таких помещений эл счетчики рекомендуется помещать в специальных шкафах, где должна поддерживаться указанная температура в течение всего года.
В соответствии с правилами электросчетчики должны устанавливаться в шкафах, на панелях, щитах, в нишах, камерах комплектных распределительных устройствах (КРУП, КРУ), на стенах, имеющих жесткую конструкцию. Допускается крепление счетчиков на деревянных, пластмассовых или металлических щитках.
Высота установки электросчетчика от пола до коробки зажимов должна быть в пределах 0,8-1,7 м. Допускается высота менее 0,8 м, но не менее 0,4 м.
Для счетчиков электроэнергии должен предусматриваться запирающийся шкаф с окошком на уровне циферблата. Это необходимо для защиты электросчетчиков от механических повреждений или загрязнения, а для ограничения доступа посторонних лиц (в проходах, на лестничных клетках и т. п.). Такие же шкафы должны устанавливаться также для совместного размещения эл счетчиков и трансформаторов тока при выполнении учета на стороне низшего напряжения (на вводе у потребителей). Установка электросчетчиков в квартире или в частном доме допускается не в шкафе, а на обычном щитке.
Конструкции и размеры шкафов, ниш, щитков и т. п. должны обеспечивать удобный доступ к зажимам счетчиков и трансформаторов тока. Кроме того, должна быть обеспечена возможность удобной замены счетчика и установки его с уклоном не более 1°. Конструкция его крепления должна обеспечивать возможность установки и съема счетчика с лицевой стороны.
Электропроводки к счетчикам электроэнергии должны отвечать определенным требованиям. В электропроводке к расчетным счетчикам электроэнергии наличие паек не допускается. Сечения проводов и кабелей, присоединяемых к счетчикам, должны приниматься в соответствии.
При монтаже электропроводки для присоединения электросчетчиков непосредственного включения около счетчиков необходимо оставлять концы проводов длиной не менее 120 мм. Изоляция или оболочка нулевого провода на длине 100 мм перед счетчиком должна иметь отличительную окраску.
Для безопасной установки и замены счетчиков в сетях напряжением до 380 В должна предусматриваться возможность отключения счетчика установленными до него на расстоянии не более 10 м коммутационным аппаратом или предохранителями. Снятие напряжения должно предусматриваться со всех фаз, присоединяемых к счетчику.
Трансформаторы тока, используемые для присоединения счетчиков на напряжении до 380 В, должны устанавливаться после коммутационных аппаратов по направлению потока мощности.
Заземление (зануление) счетчиков и трансформаторов тока должно выполняться в соответствии с требованиями по установки заземления. При этом заземляющие и нулевые защитные проводники от счетчиков и трансформаторов тока напряжением до 1 кВ до ближайшей сборки зажимов должны быть медными.
При наличии на объекте нескольких присоединений с отдельным учетом электроэнергии на панелях электросчетчиков должны быть надписи наименований присоединений.
Внимание!!!
Часто возникает вопрос “В соответствии с какими документами, правилами, законами электросчетчики устанавливают на улице – фасаде здания или опоре ЛЭП?”
Вот:
Постановление Правительства РФ от 04.05.2012 N 442 «О функционировании розничных рынков электрической энергии»
Приборы учета подлежат установке на границах балансовой принадлежности объектов электроэнергетики……
…… При отсутствии технической возможности установки прибора учета на границе балансовой принадлежности объектов электроэнергетики (энергопринимающих устройств) смежных субъектов розничного рынка прибор учета подлежит установке в месте, максимально приближенном к границе балансовой принадлежности, в котором имеется техническая возможность его установки…..
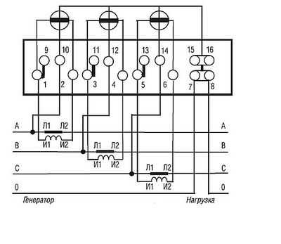
Схемы включения счетчиков электроэнергии
Дополнительная информация:
Как остановить электросчетчик
Как отмотать электросчетчик трансформатором
102 Способа хищения электроэнергии
www.elektroceh.ru
счетчик электроэнергии, на улице в частном доме, правила и как правильно установить
Первые приборы учета потребленной электрической энергии появились в конце XIX века.
Устанавливать электрический счетчик следует при наличии соответствующего опыта и оборудования Изобретение их было связано с тщательным исследованиями электромагнетизма, которые проводили ученые, а также с их изобретением приборов, работающих от электричества. Развитие данного направления и споры о постоянном или переменном токе, для того или иного объекта, привели к открытию трансформатора. Тогда и возникла идея учитывать электрическую энергию. Первый прибор учета переменного тока разработал Оливер Б. Шелленбергер в 1888 году. Сейчас этот аппарат имеется в каждом доме. Так как же устанавливают этот прибор?
Установка счетчика электроэнергии: принцип действия устройства
Для того, чтобы разобраться с тем, как установить электросчетчик, как в принципе и газовый прибор учета, необходимо для начала понять, какие модели бывают, и как они функционируют.
Необходимо знать, что для учета потраченной электроэнергии в наших домах, на дачных участках и на производстве, необходимы однофазные и трехфазные узлы учета, а для того, чтобы учитывать расход постоянного тока, применяемого, например, для обеспечения движения электротранспорта, электродинамический счетчик.
Кроме того, счетчики бывают индукционные и электронные. Для их установки существуют законно определенные правила и нормативы. Вы не можете поменять прибор учета в своем доме самостоятельно, не получив на то разрешение энергосбыта.
Что касается правил установки, то они следующие:
- Счетчики электрической энергии разрешается устанавливать только в пригодных для этого сухих помещениях;
- К приборам учета должен быть обеспечен удобный доступ для их обслуживания;
- Температура в помещениях, где устанавливается счетчик, не должна быть ниже нуля и выше 40°С;
- Когда температурный режим организовать не удается, то необходимо обеспечить утепление прибора в зимний период.
Счетчик электроэнергии должен ставить обученный человек, который после установки поставит пломбу
Электросчетчики разрешено устанавливать на панелях, на щитах учета, на стене, в релейных отсеках КРУ.
Как правильно установить электросчетчик в частном доме
Монтаж и установка счетчиков электроэнергии нужно производить так, чтобы высота от пола была 80 см –до 170 см, и желательно на уровне глаз среднего человека. Приборы учета запрещается устанавливать на улице на опоре ЛЭП (столбе) на недосягаемой для обозрения высоте.
Индукционные счетчики учета электроэнергии допускается устанавливать с углом наклона, не превышающим 1°С. Если это правило не соблюдать, то возможна погрешность в учете электроэнергии.
Если говорить о габаритах, то самое главное условие по размерам шкафов, щитков и ниш, которое нужно соблюдать для установки электросчетчиков, это оставить свободный доступ к прибору учета на случай обеспечения ремонта и профилактических работ. электрической энергии.
При подключении проводов к прибору учета необходимо соблюдать такие условия:
- Обращайте внимание на цифровую маркировку провода;
- Провода нужно зачищать длиной не менее, чем на 12 миллиметров.
Для безопасной и быстрой замены электрических счетчиков, напряжение которых не превышает 0,4 кВт, нужно перед ним поставить коммутационный аппарат на промежутке не более 10 метров.
Подключение электросчетчиков в частом доме или даче: пошаговая инструкция
Владельцам многоквартирных домов не редко приходится устанавливать или заменять квартирный счетчик на лестничной площадке в подъезде. Обычно это приходится делать, когда счетчики, или автоматы, морально и технически устарели, и нуждаются в замене. Иногда служба гор-свет прямым текстом требует заменить устройство, выполнить его вынос или перенос. Принудить к тому, чтобы перенести счетчик на фасад они не имеют права, а, вот, при вступлении в право собственности другим хозяином со старым счетчиком обычно возникают существенные проблемы. В случае смены пользователя потребители устанавливают на фасаде уличные счетчики.
Если вы надумали поменять счетчик, то можно воспользоваться услугами электрика, а можно произвести работы самостоятельно.
В каждом городе, у каждой сбытующей электроэнергию компании есть свои требования на счет установки электросчетчика. Все они основаны на одних и тех же, законодательных актах, но дополнены собственными приказами и распоряжениями местных служб. Поэтому четко сказать указать процедуру оформления замены счетчика невозможно, но то, что начинать необходимо с энергослужбы, одинаковое требование везде.
Пошаговая инструкция выполнения работ:
- Выключаем автоматы и фазу;
- Провод изолируем;
- Проверяем индикаторной отверткой отсутствие напряжения;
- Демонтируем старый прибор учета;
- Крепим дин-рейку;
- Устанавливаем защитные автоматы;
- Подключаем питающую и нулевую шину;
- После подаем фазу;
- Монтируем корпус счетчика на место;
- Подключить к счетчику провода.
Устанавливать счетчик следует специально предназначенными для этого инструментами
После подключения нулей нам остается только одеть на наш прибор крышку и работа закончена.
Место установки прибора учета электроэнергии в доме или квартире
Главным документом, который определяет порядок установки электрических счётчиков, есть ПУЭ, что расшифровывается как правила установи электросчетчиков. Решив заменить свой счетчик на новый, первым делом следует обратить внимание на срок давности отмеченной госповерки нового прибора.
Будьте предельно внимательны при покупке оборудования, ведь согласно ПУЭ максимальный срок госповерки за давностью на момент установки узла учета не должен превышать 12 месяцев для трёхфазного счётчика и 24 месяца для однофазного. То, что счетчик не использовался до этого, значения не имеет.
На приборах учета, которые устанавливаются впервые, должны стоять пломбы последней проверки, давность которых не превышает 12 лет. Нормы не оговаривают какие-либо конкретные виды, конструкции, размеры и дизайн.
Электрощиток может быть любой, но требуется следующее:
- Конструкция ниши, щитка, шкафа и тому подобного, должна обеспечивать беспрепятственный доступ к зажимам и трансформаторам тока;
- Уклон счетчика нужно выдерживать в пределах 1 процента;
- Крепление и месторасположения должны позволять в любой момент снять счетчик с лицевой стоны.
- Можно крепить счетчики на металлических, деревянных или пластмассовых щитках.
Чтобы использование счетчика было безопасным, схема должна предусматривать на расстоянии не более 10 метров от него предохранителей или выключателей.
Грамотная установка электросчетчика (видео)
В настоящее время учет потребленной электроэнергии ведется лишь по одному дневному тарифу. Но это есть неправильно, поскольку потребитель остается в проигрыше. Для того, чтобы правомерно урегулировать этот вопрос, лучше устанавливать двухтарифные приборы учета израсходованной электрической энергии.
Добавить комментарий
teploclass.ru
Установка электросчетчика в частном доме на улице | Электирика
» Электирика
Правила и советы по установке электросчетчика в домах и квартирах
Многолетняя практика убедительно доказывает, что установка электросчетчиков требует от исполнителей определенной подготовки и знаний.
Прежде чем приступить к монтажным работам в гараже, частном доме или на даче необходимо ознакомиться с действующими инструкциями и правилами.
Надо знать, что счетчики бывают следующих типов:
- механические
- электронные
- однофазные
- трехфазные.
Механическая конструкция выпускается на протяжении десятков лет и уже морально устарела.
Стоимость электронного счетчика выше, чем механического, при этом, с его использованием, количество потребленной энергии фиксируется более точно.
Тарифы на электроэнергию имеют тенденцию к росту. С учетом этого обстоятельства, в многоквартирном доме имеет смысл установка двухтарифного счетчика.
Он позволяет существенно сократить затраты на оплату электричества.

Особенно в тех случаях, когда в квартире установлена стиральная и посудомоечная машины. В гараже или на даче такие приборы, как правило, не устанавливаются.
Перед тем как приобрести счетчик необходимо посчитать мощность всех установленных в жилом помещении потребителей энергии.
Навести справки в службе, которая занимается сбытом электроэнергии о действующих тарифах.
Место установки
Правила установки электросчетчика детально описаны в нормативных документах.
Независимо от того, в многоквартирном или частном доме выполняется монтаж прибора, помещение под установку должно быть сухим и хорошо проветриваемым. Попадание влаги на счетчик не допустимо.
Если его приходится крепить на столбе, то предварительно следует смонтировать герметичный защитный кожух.
Видео:
Для установки на улице выпускаются специальные приборы, которые рассчитаны на эксплуатацию в широком диапазоне температур зимой и летом.
Счетчики в обычном исполнении работают при температуре от 0 до +40 градусов.
Дачный домик
Установка счетчика на даче выполняется как можно ближе к точке ввода кабеля в помещение. Доступ к прибору должен быть свободным и не захламлен громоздкими предметами.
Схема подключения однофазного прибора учета стандартная. В некоторых садовых товариществах утверждено правило, согласно которому прибор крепится на столбе.

Опора линии электропередач должна находиться на улице, поблизости от домика.
При таком расположении, счетчик помещают в защитный бокс, который обеспечивает возможность визуально считывать информацию.
Если расстояние до ближайшей опоры велико,то счетчик можно закрепить на трубостойке, которая установлена под навесом.
Гараж
Практика показывает, что в гараже иногда требуется установка трехфазного счетчика. Схема подключения такого прибора более сложная, по сравнению с той, которая применяется при монтаже однофазного.
Учитывая то, что в гараже имеет место высокая запыленность, присутствуют различные агрессивные вещества, устанавливать счетчик необходимо в малодоступной зоне.

Высота крепления зависит от габаритов помещения. Совсем «под потолок» крепить счетчик не рекомендуется.
Но и меньше чем на метр от пола опускать тоже не желательно. Эти требования обеспечивают надежное и бесперебойное электроснабжение объекта.
Коттедж
Установка счетчика в частном доме считается стандартной процедурой. Схема электропитания коттеджа разрабатывается уже на этапе проектирования.
Все точки ввода кабеля и подключения электрических устройств определены. Монтаж трехфазного счетчика производится в том случае, когда система отопления построена на применении электрического котла.
Для того чтобы разделить учет потребления энергии на отопление и на освещение в частном доме, гараже и на улице, используется преимущество однофазного контура.
Однофазная схема электропитания гораздо проще в монтаже и обслуживании.
Многоэтажный дом
В многоквартирном высотном доме места под установку счетчиков определены заранее. Приборы учета монтируются на лестничных площадках, в специальных шкафах.
По действующим правилам эксплуатации электрических приборов и установок, допускается установка электросчетчика в квартире, если это удобно владельцу.

Монтаж счетчиков на таких объектах, как правило, выполняется специализированными компаниями.
Владелец жилого помещения, в надежде сэкономить свои финансовые средства, может сделать это самостоятельно.
Обладая начальными познаниями в электротехнике любой человек, даже женщина, справится с поставленной задачей.
Подготовка к монтажу
Установка электросчетчиков в квартире, однофазного или трехфазного, начинается с изучения объекта.
На предварительно разработанной электрической схеме обозначены все точки подключения электрических приборов.
Их число может быть различным – осветительные лампы, тэны и калориферы, сварочный аппарат, холодильник, посудомоечная машина и ряд других.
В специализированных магазинах продаются комплектные электрощиты, в которых предустановленны все необходимые элементы. Их удобно использовать в частном доме.
Точно так же как это делается в многоквартирном. Комплектный электрощит устанавливается быстро и просто.
Видео:
Никаких предварительных мероприятий для установки не требуется. Достаточно «пристрелить» корпус на дюбели и подсоединить к клеммнику шесть проводов – три на входе и три на выходе.
Так делают в многоквартирном доме.
В том случае, когда установка стандартного электрощита невозможна или не целесообразна, то для самостоятельного монтажа необходимо приобрести следующие элементы:
- счетчик электрической энергии
- пластиковая либо деревянная коробка
- комплект монтажных инструментов с изолированными ручками
- индикатор напряжения
- DIN-рейки
- выключатели автоматические
- электрические провода
- изоляторы
- саморезы, винты, гайки.
Стоимость перечисленного набора доступна для среднего бюджета. Установка двухтарифного счетчика выполняется точно так же как и монтаж однофазного прибора.
Схема подключения у них совершенно идентична. Если работа проводится в гараже, то делать это необходимо в светлое время суток. Иначе работа может затянуться на несколько дней.
Самостоятельная установка электросчетчика в гараже и частном доме стала привычным явлением. Это объясняется тем, что через определенный промежуток времени прибор учета необходимо сдавать на поверку.
Для этой процедуры его нужно снять, отвезти на поверку и снова установить.
Последовательность действий
Установка двухтарифного счетчика выполняется на завершающем этапе монтажных работ. Электрическая проводка во всех помещениях должна быть проложена.
Все распределительные коробки подсоединены и закрыты. Проводка в частном доме и общественных зданиях выполняется медным проводом.

В редких случаях, по согласованию с надзорными структурами, используется алюминиевая жила. Остаться не подключенными должны только провода, которые присоединяются к счетчику.
Они подключаются после фиксации сборного щита на отведенном для него месте.
Приступая к установке однофазного счетчика, необходимо соблюдать определенную последовательность действий.
Первый шаг, который необходимо выполнить обязательно, убедиться в отсутствии напряжение на входящих проводах. Это делается с помощью индикатора напряжения.
Если напряжение присутствует, то его надо отключить выключателем, который расположен на столбе или в другом месте. После этого можно приступать к сборке индивидуального электрического щита.

Первым, на свое установочное место крепится счетчик. Для этого, в комплекте с ним, прилагаются винты и гайки.
Далее нужно закрепить автоматические выключатели на DIN-рейке. сама рейка крепится с помощью винтов к основанию щита на опорные изоляторы.
На следующем шаге устанавливается шина заземления. По форме она представляет собой пластину. Схема в данном случае проста.
Если щит изготовлен из металла, то последовательность соединения следующая: счетчик – щит – контактная пластина.
Когда в качестве щита используется ящик из древесины или полимерного материала, который является изолятором, то заземление выводится от счетчика прямо на пластину.
На этом внутренний монтаж завершен и щит нужно закрепить на стене или столбе.

Для крепления щита на стене используются болты, длиной не менее 100 мм. Это требуется для того, чтобы обеспечить воздушный зазор 20-30 мм между стеной и панелью.
Естественная вентиляция будет препятствовать образованию конденсата на поверхности щита.
Если щит крепится на улице, то следует обеспечить ему защиту от осадков и ветра.
Высота его установки в любом случае должна быть такой, чтобы можно было разглядеть показания счетчика. После того как щит надежно закреплен, выполняется подвод и присоединение всех проводов.
По действующим правилам, входящая линия должна располагаться слева, а выходящая проводка справа.
Схема подключения двухтарифного счетчика проста, однако на завершающем этапе работ нужно учесть одну деталь.

Если подключить входящие провода наугад, то с вероятностью 50% счетчик не будет работать. Ничего страшного в этом случае не произойдет, просто надо поменять провода местами.
На клемму №1 подключается фазный провод, а на клемму №3 нулевой.
Для того чтобы избежать лишней суеты, нужно изначально определить с помощью индикатора где на входящем проводе «фаза», а где «ноль».
Зажим проводов в гнездах счетчика производится двумя винтами. Через некоторое время эти винты необходимо дополнительно «прожать», чтобы контакт не ослабевал.
Это простейшие требования правил эксплуатации электрических установок.
В частном гараже, где зимой остаются включенными на ночь обогревающие элементы, за качеством контактных соединений необходимо следить регулярно.
Точно так же как за приборами учета, которые смонтированы на улице. Для того чтобы удобнее обслуживать счетчик, применяется схема, в которой на входе предусмотрена установка автоматического выключателя.
Единого мнения среди специалистов по его применению нет, но вести профилактические и ремонтные работы, при его наличии, удобнее. Инспекторы энергосбыта относятся к такой схеме скептически.
Скептицизм основан на том, что недобросовестные потребители получают возможность воровать электричество.
Видео:
Чтобы избавить потребителей от таких подозрений, разработаны современные выключатели, которые имеют специальные отверстия или ушки для установки пломбы.
Ни в гараже, ни на улице, при таком подходе к делу, злоупотреблений не будет.
Стоимость автоматического выключателя невелика, а его установка обеспечивает удобство обслуживания электрической проводки в помещении и счетчика.
Завершающий этап
После того как установка двухтарифного счетчика завершена, нужно проверить его работу под нагрузкой и на холостом ходу.
Для этого нужно отключить все электрические приборы, которые имеются в помещении. После чего нужно включить автомат на входе, через который электроэнергия поступает на прибор учета.
Механический счетчик на холостом ходу, что называется, гудит. Но индукционный диск не вращается.
Теперь нужно включить одну лампочку и посмотреть начал ли вращаться диск.
Постепенно включая имеющиеся приборы, можно заметить, как увеличивается скорость вращения диска. На этом установка электросчетчика своими руками в квартире или гараже заканчивается.
Для того чтобы оплачивать фактически потребленную энергию, нужно зарегистрировать прибор учета в местном отделении энергосбыта.

Специалист, который занимается работой с клиентами, приходит в назначенное время для того, чтобы опломбировать счетчик и входной автоматический выключатель.
В специальном журнале фиксируется исходное значение, которое может быть отлично от нуля.
В том случае, когда на объекте установлен двухтарифный счетчик, его настройка так же производится специалистом энергосбыта.
Энергетические компании, которые переходят на европейский стиль общения с потребителями, стараются найти оптимальные варианты для взаимоотношений.

К этому их подталкивает объективна обстановка в энергосистеме.
Ночью нагрузка резко снижается, а днем, наоборот, увеличивается.
Для того чтобы сгладить такие скачки есть способ – стимулировать абонентов к использованию энергии в ночное время.
В качестве стимула выступает пониженный тариф на энергию.
Установка электросчетчика своими руками. Правила установки электросчетчика в квартире и частном доме
Счетчик электроэнергии – это надежный и доступный способ значительно сэкономить. При помощи индивидуальных современных приборов можно тратить разумно и полностью контролировать расход ресурсов. Растраты, которые понесут потребители на установку и регистрацию прибора, как правило, окупаются буквально за несколько месяцев. Поэтому следует разобраться, как может быть произведена установка электросчетчика своими руками, чтобы сократить понесенные убытки.
Виды

Первоначально все счетчики разделяются по номиналу тока. К примеру, для квартиры принято использовать приборы номиналом до 80 А. Для того чтобы выбрать правильный показатель, в первую очередь нужно учитывать такие факторы, как суммарная мощность всех устройств дома и максимально выделенная энергия всего помещения.
Также счетчики разделяются по тарифам и могут быть многотарифными или однотарифными. Для того чтобы сэкономить, ставят первые из перечисленных, хотя стоимость их значительно выше последних, но сбережение с ними получается больше. Также приборы разделяют по количеству фаз. Для квартир используются однофазные, а для коттеджей и частных домов – трехфазные.
Инструменты и необходимые материалы
Для того чтобы была выполнена установка электросчетчика через трансформаторы тока, необходимо сперва понять общие принципы подключения. Как правило, все аппараты для замера потребляемой энергии населением обычно являются собственностью организаций, которые представляют соответствующие услуги. Поэтому устройство в личном доме или квартире никто своими руками не монтирует, так как это входит в обязанности соответствующих компаний. На владельцев жилья падает полная ответственность за целостность прибора и наличие пломб. Тем не менее установка электросчетчика своими руками с использованием УЗО-автомата для однофазного и трансформатора для трехфазного также возможна. В этом случае все материалы и аппарат необходимо будет приобрести самостоятельно, а ответственность в случае неправильного монтажа ложится на плечи пользователя.
Для установки понадобится:
– абонентский электрический щиток нужного размера
– бытовой счетчик правильной марки
– пассатижи, набор отверток, острый нож с защищенными рукоятками
– набор деталей для крепежа (шайбы, винты, гайки оптимального диаметра)
– мультиметр – прибор для замера напряжения
– моток ленты для изоляции.
Установка счетчика своими руками

Перед приобретением прибора нужно определиться с числом необходимых фаз, а также решить, понадобится ли трансформатор тока, через который производится подключение и установка электросчетчика. В случае покупки однофазного устройства он не пригодится. Также нужно обеспечить необходимое количество УЗО и автоматических выключателей с подходящими параметрами и пару метров провода с подходящим сечением.
Все работы по креплению начинаются с установки монтажной планки, УЗО, счетчика и автоматических выключателей, которые располагаются внутри щитка. Для этого используются фиксаторы, которые находятся в комплекте с изделием. Перед установкой автоматов предварительно проверяется исправность каждого из них. Для этого мультиметр включается в режим замера сопротивления и подсоединяется к клеммам АВ.
После этого автоматический выключатель несколько раз проверяется, чтобы удостовериться в работоспособности. Помимо всех вышеперечисленных устройств и деталей, внутри корпуса также нужно установить земляную и защитную шину, которая также монтируется на гайках и изоляторных винтах.
Подключение однофазного счетчика
Выбор устройств достаточно разнообразен, но размещение клемм у них одинаковое. Такие аппараты чаще всего подсоединяются по схеме прямого включения и в сеть, но иногда и через трансформатор. В таких счетчиках 4 контакта, а именно ввод и выход фазы, ввод и выход нуля. Заземление направляется чаще всего напрямую и очень редко разделяется.
Для того чтобы подсоединить такое устройство, необходимо обесточить помещение на вводном автомате или магистрали, а затем установить прибор. Затем обязательно проверяются все подключения, а после включается аппарат.
Подключение трехфазного счетчика

С этим устройством все намного сложнее. Существует несколько схем, использование которых напрямую зависит от типа аппарата.
Методы подключения:
– через трансформатор в четырехпроводную сеть
– прямого подсоединения
– через трансформатор напряжения и тока в четырехпроводную и трехпроводную сеть
– двухэлементный, через трехпроводную сеть и трансформатор
– через два трансформатора напряжения и тока в трехпроводную сеть.
Также установка электросчетчика возможна через трансформатор напрямую. У таких устройств присутствует в маркировке буква У (универсальный). В квартире или частном доме чаще всего используется прямой способ подключения. У них есть ограничение по току в 50 ампер.
Правила установки электросчетчика в частном доме
По функциональному принципу все устройства можно разделить на индукционные и электронные. На сегодняшний день большая часть аппаратов является последними, так как первые являются менее точными, и их использование очень часто ограничивается.
Также устройства могут быть разной точности, класса и номинала. Установка электросчетчика в частном доме предусматривает наличие таких инструментов, как столярка и дробилка, а также приборов с учетом напряжения 0,4 киловольта. Если предполагаемый ток будет выше чем 100 ампер, то устройство понадобится монтировать только через трансформаторную систему. Перед приобретением обязательно уточните у государственных доверителей целостность и срок установки пломбы. В случае если сеть трехфазная, то знак апробации не должен превышать 1 года, а для однофазных – 2 года.
Установка электросчетчика в частном доме на улице должна проводиться электромонтажником, который имеет среднюю квалификацию. Однако перед началом работ у провайдера необходимо затребовать сетевой типовой договор, акт балансовой принадлежности и задание на выполнение услуг. Эти документы содержат основные требования, которые рекомендуются для исполнения всеми потребителями. Тут также указаны и границы ответственности между домовладельцем и поставщиком энергии.
Установка электросчетчика в доме происходит по схеме:
1. Монтировать аппарат лучше в предбаннике или прихожей.
2. Предварительно обесточивается входная линия. Для этого можно договориться с электромонтажниками или сетевым провайдером.
3. Токовая входная цепь подключается к автоматическому предохранительному выключателю, а после – непосредственно к счетчику.
4. Обязательно побеспокойтесь о наличии заземления, которое обеспечит безопасность в случае нестабильной работы.
5. Правила установки электросчетчика в частном доме рекомендуют к выходам устройства монтировать общую разводку на дом.
6. Если пломба будет нарушена, то незамедлительно нужно вызвать представителей сетевого провайдера, который исправит неполадку.
7. В процессе установки необходимо соблюдать все нормы ПУЭ.
8. В итоге запускаем пробное включение.
Правила установки электросчетчика в квартире

Чаще всего монтажом занимаются работники сетевых компаний. Для этого владельцы квартир должны оставить заявку в соответствующей инстанции. Затем необходимо написать заявление, после которого будут произведены соответствующие работы. Все подключения проводятся по правилам ПУЭ, где описываются все основные аспекты и нюансы.
Установка электросчетчика обязательно начинается с государственной проверки устройства. На пломбе должна быть нанесена дата сверки. Чаще всего аппараты монтируются в распределительных щитках на квартирных площадках. В случае если устройство будет устанавливаться в квартире, то верней всего монтировать его в закрытом щитке. В нем также рекомендуется расположить и автоматы на все помещение.
Установка электросчетчиков в квартире происходит по схеме:
1. Подбирается место для монтажа щитка с автоматами и устройством.
2. Обесточивается входная линия, что предварительно согласовывается с сетевыми провайдерами.
3. Высота для монтажа должна варьироваться от 0,8 до 1,7 метра горизонтально к поверхности.
4. Выполняется коммутация выходной и входной цепи аппарата по всем правилам ПУЭ.
5. Обустраивается защитное заземление.
6. Токовая входная цепь должна монтироваться к защитному автоматическому выключателю, а затем к счетчику.
7. Начинается пробное включение.
Правила установки на улице и на даче

Монтаж устройства на открытом воздухе должен проводиться только по ряду техническо-эксплуатационных требований. Правильней всего поместить аппарат на высоте 0,8-1,7 метра с фасадной стороны помещения. Благодаря этому к устройству будет обеспечен легкий доступ представителей технического обслуживания и сетевой компании. Чаще всего проводится установка электросчетчика на столбе, если он расположен на территории дачи или частного дома. Также в щитке нужно поместить защитный автомат, а группу автоматов лучше все-таки монтировать в помещении.
Процесс установки счетчика:
1. Перед монтажом понадобится отключить сетевые линии по всем правилам ПУЭ.
2. Устройство будет вести себя некорректно при температуре ниже 5 С, поэтому обязательно продумывается утепление.
3. Токовая входная цепь должна перенаправляться к предохранительному выключателю, а после этого – непосредственно к аппарату.
4. Установка электросчетчика на даче обязательно должна происходить при подключении защитного заземления, которое в случае короткого замыкания или перекоса фаз обезопасит всю электрику дома.
5. Затем монтируется выходной рычаг на группу автоматов.
6. Проводится пробное включение.
Рекомендации и советы электриков

Нужно помнить, что при монтаже необходимо тщательно придерживаться правил техники безопасности. Нельзя начинать выполнять работы без точной проверки отключения и блокировки напряжения, так как это может стать опасным для жизни.
Обязательно проверьте, не повреждена ли изоляция инструментов рукояток. Для этого достаточно лишь тщательного визуального осмотра. Все рекомендации мастеров сводятся к тому, что необходимо быть внимательными и четко осознавать все те действия, которые будут выполнены далее.
Недостатки и достоинства двухтарифных счетчиков
На сегодняшний день почти все хозяева домов и квартир заинтересованы сэкономить свои средства. В основном это связывается с тем, что в нынешнее время выпускается мощная техника, которая за месяц может накрутить приличные суммы. Одним из вариантов выхода из такой ситуации является установка двухтарифного электросчетчика. Принципом работы такого устройства является то, что при разном времени суток стоимость 1 кВт будет отличаться. Цена ночного тарифа будет в несколько раз меньше, чем дневного. Для чего же это совершается? Первым делом в таких устройствах заинтересованы сами электроподстанции, которые занимаются выработкой электроэнергии. Как правило, в утреннее время (с 7 до 10 утра) и вечером (19-23 вечера) нагрузки на подстанции стремительно повышаются, и увеличивается потребление электричества людьми и предприятиями. В результате этого электростанции начинают работать неравномерно, что приводит к быстрому износу оборудования и неравномерному расходу топлива. Для того чтобы хоть немного снизить затраты энергии, были разработаны двухтарифные счетчики.
Эти аппараты работают по такой схеме: днем (с 07 до 23) цена на энергию немного выше обычного, но в ночное время (соответственно с 23 до 07) начинает работать второй тариф, а именно льготный, когда стоимость 1 кВт намного меньше обычного. Поэтому благодаря льготным тарифам некоторые предприятия работают в ночное время, тем самым разгружая все электроустановки.
Основными достоинствами являются:
1. Возможность сэкономить собственные средства, так как окупаемость изделия наступает спустя 1 год.
2. Выполняется помощь в работе электростанции, благодаря чему производители будут намного реже заниматься ремонтом своих устройств.
3. Сокращается выброс вредных компонентов в атмосферу. Из-за того что происходит неравномерное потребление энергии, станции начинают скачкообразно перерабатывать топливо, поэтому в вечернее и ночное время выбросы будут сильно загрязнять окружающую среду.
Чаще всего для обычного пользователя последние два пункта практически неважны, поэтому основным преимуществом является значительная экономия денежных средств.
Установка электросчетчика в частном доме на улице имеет такие недостатки:
1. Далеко не все регионы ставят по-настоящему выгодные тарифы для потребителей. Некоторые города назначают следующие показатели: в дневное время стоимость превышает практически в несколько раз стандартные, а ночью цена потребления ниже буквально на 15-20%.
2. После того как будет монтировано устройство, необходимо правильно использовать бытовую технику, иначе об экономии не будет идти и речи. Дело в том, что такие аппараты будет выгодно применять только по следующему принципу. Оказывается, что для того, чтобы сократить расходы, необходимо мощными приборами обязательно не пользоваться днем, а именно посудомоечной и стиральной машиной, кондиционером, обогревателем и т. д. Если мыть посуду и стирать после 23.00, то только в таком режиме работы можно значительно уменьшить затраты. В другом варианте финансовые вливания только возрастут в значительное количество раз.
Источники: http://stoydiz.ru/electrika/ustanovka-elektroschetchika.html, http://www.syl.ru/article/194817/new_ustanovka-elektroschetchika-svoimi-rukami-pravila-ustanovki-elektroschetchika-v-kvartire-i-chastnom-dome
Комментариев пока нет!
restart24.ru
Как установить электросчетчик в частном доме
Все жизненно важные составляющие комфорта в частном доме связаны с наличием нормального обеспечения электроэнергией. Без нее — никуда. Но получить доступ к линии электроснабжения можно после выполнения необходимых бумажных формальностей и требований, хорошо известных Правил устройства электроустановок в 7-й редакции. Для того чтобы разобраться, как правильно подключить электросчетчик в частном доме, нам нужна глава 7.1, в которой сжато конкретизированы общие требования к электроснабжению жилого фонда, в том числе частных домов.

Иногда возникает проблема — как лучше электросчетчик подключить в частном доме. Но в любом случае, при строительстве нового, а также капитальном ремонте и перестройке старого дома придется потратить немало усилий и времени на борьбу с требованиями РЭС.
До начала работ решите для себя следующие вопросы:
- Какая мощность и, соответственно, напряжение сети предполагается для дома;
- Выбрать место, где предполагается установка электросчетчика;
- Выбрать модель электросчетчика, автомата защиты и пакетных выключателей.
Совет! Прежде чем обращаться в РЭС с просьбой подключить частный дом к сети, изучите на форумах в Инете вопросы, возникающие при общении с представителями РЭС. Почитайте нормативные документы, регламентирующие требования к каждой из возможных схем установки электросчетчика в частном доме. Это упростит разговор с бюрократами.
Шаг первый — расчет будущего потребления электроэнергии
В отличие от квартиры, количество электроэнергии, потребляемое в частном доме, может в различные периоды времени вдвое или даже втрое превышать пиковую величину на индивидуальном электросчетчике в многоквартирном доме. Причин может быть масса. Например, для частного дома не редкость — использование целого перечня вспомогательных механизмов и установок, от электрокотла обогрева или системы кондиционирования частного дома до станков, насосов, банных электронагревателей.

Для квартиры в многоэтажке нагрузка на электросчетчик редко превысит 2-2,5кВт. Поэтому используется однофазная сеть и, как следствие, простой в подключении электросчетчик. Пиковые нагрузки в частном доме могут достигать 10кВт, что возможно обеспечить только трехфазным электропитанием. Соответственно, электросчетчик тоже нужен трехфазный.
Разделить нагрузку между несколькими вводами и счетчиками невозможно, пунктом 7.1.22 вышеупомянутых правил определено установку одного электросчетчика для учета потребленной электроэнергии на входе в частный дом или жилье.
Для подвода трехфазной сети и установки соответствующего счетчика вам понадобится выполнить проект электропроводки частного дома с расчетом нагрузки и характеристиками потребителей, проводки, расположением контура заземления. После этого будет согласована максимальная потребляемая мощность и технические условия на электросчетчик, устанавливаемый в частном домовладении. Очень часто представители РЭС пытаются подсунуть клиенту конкретную модель электросчетчика для частного домовладения, но это уже чистой воды самоуправство.
Шаг второй – выбираем место установки электросчетчика
Добиться внятного ответа на свои вопросы об установке электросчетчика, находящегося в частном доме, от представителей РЭС крайне сложно. Чтобы выполнить установку по правилам подключения электросчетчика в частном доме, зачастую люди прибегают к услугам адвокатов или практикующих юристов. Подключение частного дома к электросети можно будет проводить только после заключения письменного договора о поставке электроэнергии.

Совет! Во избежание недоразумений требуйте отражения в договоре всех нюансов, связанных с местом крепления щита, установкой и правильным подключением электросчетчика в частном доме, разделением ответственности за те или иные действия, связанные с эксплуатацией счетчика и его подключением.
Установка электросчетчика в частном доме на улице
Одной из наиболее распространенных проблем является требование РЭС установить электросчетчик на внешней стороне дома. Для трехфазных счетчиков требования еще жестче, их, как правило, требуют выносить от стен частного дома в отдельный бокс или шкаф. Таким образом, у контролеров энергослужбы появляется возможность, независимо от пребывания хозяев в доме, контролировать показания электросчетчика и потребление энергии в частном домовладении.
Зачастую владельцы строящихся или ремонтирующихся частных домов указывают и согласовывают место установки, которое впоследствии будет внутренней стенкой мансарды или теплой веранды частного дома. Такой хитростью обеспечивается защита от погоды и посягательств вандалов, способных вывести электросчетчик из строя. В упомянутых правилах нет требований об установке счетчика снаружи дома, но есть условия защиты от воздействия влаги и мороза.
Правила установки электросчетчика в частном доме
Среди основных требований к установке электросчетчика можно отметить следующие, наиболее важные:
После заключения договора выполняется схема подключения электросчетчика однофазного в частном доме, проект, в котором фиксируется место, где электросчетчик будет установлен в частном доме, показывается наличие необходимых сервисных устройств и подведение электропроводки от линии электропередачи. Перед началом монтажных работ схема подлежит согласованию в РЭС.

Важно! При согласовании схемы стоит дополнительно уточнить, какие работы будут выполнены работниками РЭС, и как будет осуществляться подведение питающих цепей к счетчику при установке.
Самым распространенным способом установки электросчетчика является помещение его и сервисных автоматов в один металлический монтажный ящик. Короб ящика обычно хорошо защищен от воздействия атмосферных осадков и достаточно прочен, чтобы противостоять возможным попыткам его взлома или порчи.
Исключением является частный дом, используемый сезонно в качестве временного проживания, например, дачный коттедж. Если нет охраны, счетчик необходимо снимать на зимний период по согласованию с РЭС, либо установку прибора сразу выполнять в защищенном месте частного дома.
Сборка электрического щита не представляет особых трудностей. Как правило, в самой конструкции щитка уже предусмотрены ячейки и крепления для установки электросчетчика и коммутирующих устройств пакетного выключателя и автомата защиты. В обязательном порядке на расстоянии не более 1метра от фундамента дома выполняется контур заземления. Сваренный из уголка или арматуры каркас заземления закапывается на глубину не менее полуметра с металлической контактной шиной, которую подключают к «земле» монтажного щита.
Схема подключения проводки при установке однофазного счетчика проста, необходимо правильно подсоединить к выходным клеммам щита и не перепутать два провода – «ноль» и «фазу». Подключение проводки от линий электропередач выполнят специалисты РЭС после проверки правильности выполненных вами работ. Сам факт подключения будет оплачиваемой услугой, поэтому всегда составляется акт о подключении частного домовладения к электрическим сетям.
Сложнее будет в случае установки трехфазного счетчика. Если у вас нет достаточного опыта работы с трехфазными линиями, воспользуйтесь услугами частной фирмы, имеющей лицензию на проведение работ монтажа проводки, розеток контуров заземления и установки счетчика и соответствующего защитного оборудования.
Шаг третий — какой электросчетчик лучше
Чтобы решить, какой электросчетчик лучше поставить в частный дом, стоит сначала определиться, где и как он будет использоваться. Современные конструкции счетчиков хорошо защищены и достаточно надежны. На рынке в настоящее время доминируют три основных производителя:
- ОАО «Концерн Энергомера», расположенный в Ставропольском крае;
- Холдинг «Инкотекс», Москва;
- Московский завод измерительных приборов.

Первый производитель имеет долю рынка в 30-35% всех продаваемых в РФ однофазных бытовых электросчетчиков, качество продукции соответствует цене. Остальные чуть скромнее, но тоже имеют немалые заделы именно в производстве электронных счетчиков электроэнергии. Счетчики торговой марки «Меркурий», продукция ХК «Инкотекс», декларируются в срок безотказной работы в 250тыс. часов в частном домовладении, тогда как гарантии продукции конкурентов имеют срок службы на 100-110тыс. часов меньше.
Перед тем как сделать выбор модели счетчика и места его установки в частном домостроении, стоит помнить, что жидкокристаллические индикаторы, наиболее часто применяемые в счетчиках, очень плохо переносят низкие температуры, при температурах ниже минус 5оС прочитать показания невозможно.
Предыдущий пост
Устройство козырька над крыльцом
Следующий пост
Курятник из поддонов своими руками
obrawa.ru